Part Number Hot Search : 
BD46271G P1300EBL STD724 2SC400 AD7581KN BBU4820 ZFBBA10A UPD8041
Product Description
Full Text Search

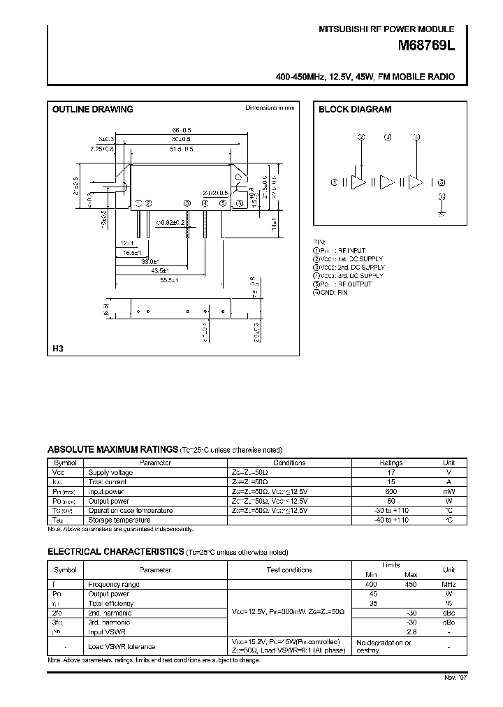
M68769L - From old datasheet system 400-450MHz, 12.5V, 45W, FM MOBILE RADIO

M68769L_574351.PDF Datasheet


 Full text search : From old datasheet system 400-450MHz, 12.5V, 45W, FM MOBILE RADIO
 Product Description search : From old datasheet system 400-450MHz, 12.5V, 45W, FM MOBILE RADIO


 Related Part Number
PART Description Maker
BA3940A A5800926 Regulator LSIs > System regulator > BA392X/BA393X/BA394X/BA395X/BA396X series
From old datasheet system
System power supply for CD radio cassette players 系统CD收音录音机的电源
Rohm CO.,LTD.
Rohm Co., Ltd.
SAM9777NBSP SAM9777 PCI Bus Single-chip Multimedia Sound System
From old datasheet system
Atmel Corp
E008252 TC9314F-017 From old datasheet system
SINGLE CHIP DIGITAL TUNING SYSTEM FOR CD RADIO CASSETTE
Toshiba
LTC1283 LTC1283AC LTC1283ACN LTC1283ACS LTC1283C L From old datasheet system
3V Single Chip 10-Bit Data Acquisition System
LINER[Linear Technology]
SA606D SA606DK SA606 Low-voltage high performance mixer FM IF system
From old datasheet system
PHILIPS[Philips Semiconductors]
TC9090AF TC9090AN E005346 MULTICOLOR SYSTEM VERSION 3-LINE DIGITAL Y / C SEPARATION IC
From old datasheet system
Toshiba
BA1449F BA1448S A5801015 AM/FM Receiver Circuit
From old datasheet system
AM Radio / FM IF Stereo System IC(调幅收音调频立体声系统芯
ROHM[Rohm]
Rohm CO.,LTD.
AT90LS2343-4SINBSP AT90LS2343-4SCNBSP AT90LS2343-4 8-Bit Microcontroller with 2K Bytes of In-System Programmable Flash
From old datasheet system
ATMEL[ATMEL Corporation]
TA1230Z E008096 TV SOUND MULTIPLEX BROADCAST DEMODULATOR IC FOR EIAJ SYSTEM
From old datasheet system
Toshiba Corporation
TOSHIBA[Toshiba Semiconductor]
LT1166 LT1166CN8 LT1166CS8 From old datasheet system
Power Output Stage Automatic Bias System
LINER[Linear Technology]
PSD4235G2 Flash In-System-Programmable Peripherals for 16-Bit MCUs
From old datasheet system
WSI
 
 Related keyword From Full Text Search System
M68769L fairchild M68769L Filter M68769L Search M68769L cost M68769L rail
M68769L Noise M68769L MARKING M68769L Product M68769L MUX HCSL M68769L battery charger circuit
 

 

Price & Availability of M68769L

All Rights Reserved © IC-ON-LINE 2003 - 2022  

[Add Bookmark] [Contact Us] [Link exchange] [Privacy policy]
Mirror Sites :  [www.datasheet.hk]   [www.maxim4u.com]  [www.ic-on-line.cn] [www.ic-on-line.com] [www.ic-on-line.net] [www.alldatasheet.com.cn] [www.gdcy.com]  [www.gdcy.net]


 . . . . .
  We use cookies to deliver the best possible web experience and assist with our advertising efforts. By continuing to use this site, you consent to the use of cookies. For more information on cookies, please take a look at our Privacy Policy. X
0.48542308807373