Part Number Hot Search : 
110963 12016 KV2702A NDTD4815 NTE5329 LMY11D 8115N D8UB60
Product Description
Full Text Search

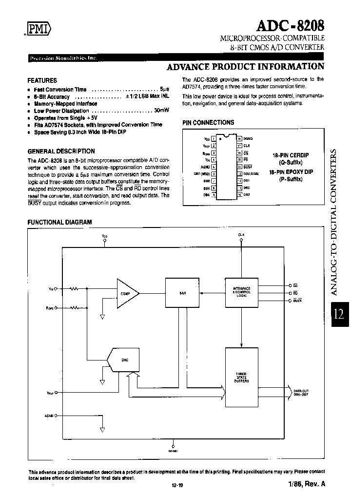
ADC8208 - Microprocessor Compatible 8 Bit CMOS A/D Converter

ADC8208_535795.PDF Datasheet


 Full text search : Microprocessor Compatible 8 Bit CMOS A/D Converter
 Product Description search : Microprocessor Compatible 8 Bit CMOS A/D Converter


 Related Part Number
PART Description Maker
STPC PC Compatible Embeded Microprocessor
STMicroelectronics
STPC-CONSUMER-S PC Compatible Embeded Microprocessor
SGS Thomson Microelectronics
STPCD0166BTA3 STPCD0166BTC3 STPD0175BTI3 STPCCLIEN PC Compatible Embedded Microprocessor
STMICROELECTRONICS[STMicroelectronics]
ZN439 8 bit Microprocessor Compatible A-D Converter
Plessey
ZN439 8 bit Microprocessor Compatible A-D Converter
GEC Plessey Semiconductors
7820RPDB 7820 7820RPDS 7820RPDE 7820RPDI Microprocessor-compatible 8-Bit ADC
MAXWELL[Maxwell Technologies]
ADC-830 Microprocessor Compatible 8-Bit A/D Converter
Datel
MP1232ABN MP1232ABS MP1231A MP1231ABS CMOS Microprocessor Compatible Double-Buffered 12-Bit Digital-to-Analog Converter PARALLEL, WORD INPUT LOADING, 1 us SETTLING TIME, 12-BIT DAC, PDIP20
CMOS Microprocessor Compatible Double-Buffered 12-Bit Digital-to-Analog Converter PARALLEL, WORD INPUT LOADING, 1 us SETTLING TIME, 12-BIT DAC, PDSO20
CMOS Microprocessor Compatible Double-Buffered 12-Bit Digital-to-Analog Converter 微处理器的CMOS兼容双缓2位数字到模拟转换
Exar, Corp.
DAC-7134UL 14-bit microprocessor-compatible multiplying D/A converter
Datel
AD390 AD390JD AD390KD AD390SD AD390TD Quad 12-Bit Microprocessor-Compatible D/A Converter
Analog Devices, Inc.
AD[Analog Devices]
AD390TD_883B Quad 12-Bit Microprocessor-Compatible D/A Converter
Analog Devices
ZN427E8 ZN427J8 MICROPROCESSOR COMPATIBLE 8-BIT SUCCESSIVE APPROXIMATION A-D CONVERTER
Zarlink Semiconductor I...
 
 Related keyword From Full Text Search System
ADC8208 gate threshold ADC8208 lcd ADC8208 価格 ADC8208 vdd ADC8208 Technolog
ADC8208 specification ADC8208 参数 封装 ADC8208 MARKING ADC8208 Source ADC8208 usb charger circuit
 

 

Price & Availability of ADC8208

All Rights Reserved © IC-ON-LINE 2003 - 2022  

[Add Bookmark] [Contact Us] [Link exchange] [Privacy policy]
Mirror Sites :  [www.datasheet.hk]   [www.maxim4u.com]  [www.ic-on-line.cn] [www.ic-on-line.com] [www.ic-on-line.net] [www.alldatasheet.com.cn] [www.gdcy.com]  [www.gdcy.net]


 . . . . .
  We use cookies to deliver the best possible web experience and assist with our advertising efforts. By continuing to use this site, you consent to the use of cookies. For more information on cookies, please take a look at our Privacy Policy. X
0.05299186706543