Part Number Hot Search : 
5UMTB TDA7314 2P035JE2 EMR30D 1000M D1507 V130K5 22023
Product Description
Full Text Search

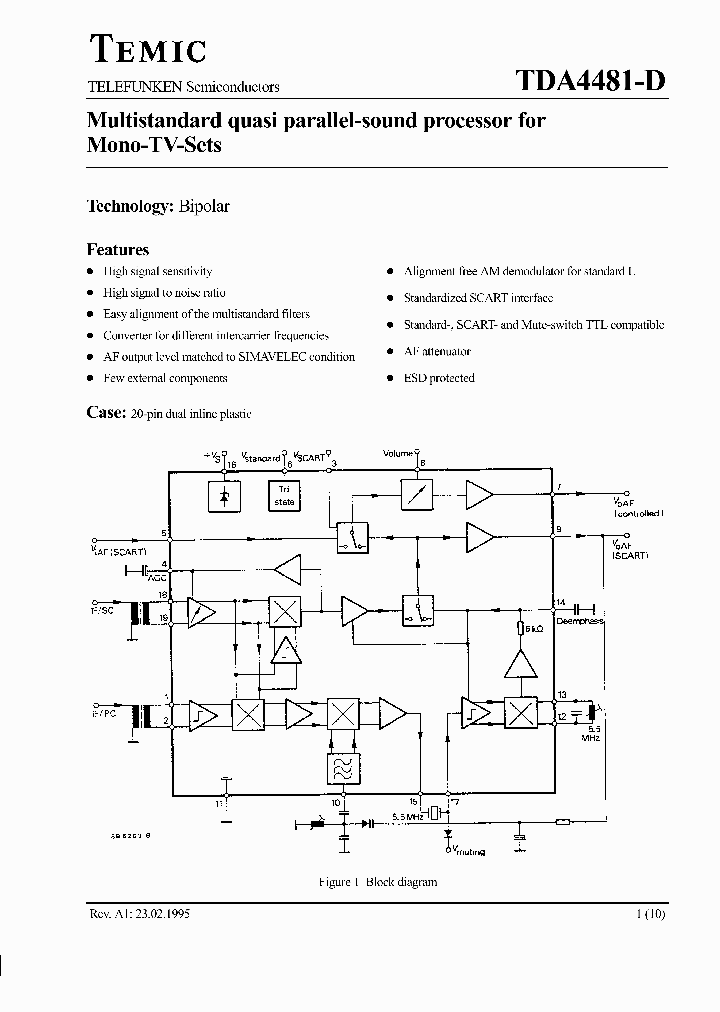
TDA4481 - From old datasheet system Multistandard quasi parallel-sound processor for Mono-TV-Sets

TDA4481_507469.PDF Datasheet


 Full text search : From old datasheet system Multistandard quasi parallel-sound processor for Mono-TV-Sets
 Product Description search : From old datasheet system Multistandard quasi parallel-sound processor for Mono-TV-Sets


 Related Part Number
PART Description Maker
TA2030FN E008100 TV/FM SYSTEM F/E (1.5V USE) 电视/调频系统F / E(下1.5V的使用)
From old datasheet system
TV / FM SYSTEM F / E (1.5V USE)
Toshiba, Corp.
TOSHIBA[Toshiba Semiconductor]
http://
MT9M112 From old datasheet system
1/4-Inch, 1.3 Megapixel CMOS Image Sensor System-on-Chip
MICRON[Micron Technology]
TC9309AF-119 EE08717 SINGLE CHIP DIGITAL TUNING SYSTEM FOR CD RADIO CASSETTE
From old datasheet system
Toshiba
CXA1330 CXA1330S CXA1331M CXA1331S CXA1332M CXA133 DOLBY B/C TYPE NOISE REDUCTION SYSTEM 杜比B / C型降噪系
From old datasheet system
Sony, Corp.
SONY[Sony Corporation]
BA3870 A5801030 From old datasheet system
BBS (bass boost system) for radio cassette players
ROHM[Rohm]
E008252 TC9314F-017 From old datasheet system
SINGLE CHIP DIGITAL TUNING SYSTEM FOR CD RADIO CASSETTE
Toshiba
LTC1283 LTC1283AC LTC1283ACN LTC1283ACS LTC1283C L From old datasheet system
3V Single Chip 10-Bit Data Acquisition System
LINER[Linear Technology]
TC9090AF TC9090AN E005346 MULTICOLOR SYSTEM VERSION 3-LINE DIGITAL Y / C SEPARATION IC
From old datasheet system
Toshiba
DS1680 1680 Portable System Controller For Touch-Screen Applications
From old datasheet system
Dallas
SA56616-XX SA56615-XX SA56615-XX_SA56616-XX_1 CMOS system reset with adjustable delay time
From old datasheet system
Philips
BA3423S A5800765 From old datasheet system
Double cassette tape recorder system preamplifier
ROHM[Rohm]
 
 Related keyword From Full Text Search System
TDA4481 huck TDA4481 DIFFERENTIAL CLOCK TDA4481 BLDC motor driver TDA4481 filetype:pdf TDA4481 complimentary
TDA4481 Pulse TDA4481 Number TDA4481 filetype:pdf TDA4481 中文网站 TDA4481 использование
 

 

Price & Availability of TDA4481

All Rights Reserved © IC-ON-LINE 2003 - 2022  

[Add Bookmark] [Contact Us] [Link exchange] [Privacy policy]
Mirror Sites :  [www.datasheet.hk]   [www.maxim4u.com]  [www.ic-on-line.cn] [www.ic-on-line.com] [www.ic-on-line.net] [www.alldatasheet.com.cn] [www.gdcy.com]  [www.gdcy.net]


 . . . . .
  We use cookies to deliver the best possible web experience and assist with our advertising efforts. By continuing to use this site, you consent to the use of cookies. For more information on cookies, please take a look at our Privacy Policy. X
0.057321071624756