Part Number Hot Search : 
AK4520A RL251 LTI210TP ACS4110 U1ZB22 5C510J W91210 NJM2642
Product Description
Full Text Search

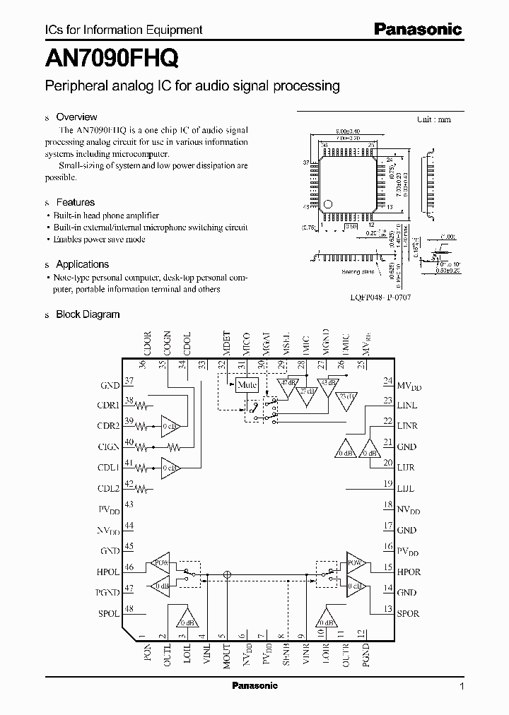
AN7090FHQ - LJT 5C 5#20 PIN REAR WALL MTG Peripheral analog IC for audio signal processing

AN7090FHQ_506042.PDF Datasheet


 Full text search : LJT 5C 5#20 PIN REAR WALL MTG Peripheral analog IC for audio signal processing
 Product Description search : LJT 5C 5#20 PIN REAR WALL MTG Peripheral analog IC for audio signal processing


 Related Part Number
PART Description Maker
AN7090FHQ AN7090 LJT 5C 5#20 PIN REAR WALL MTG
Peripheral analog IC for audio signal processing
Panasonic Corporation
PANASONIC[Panasonic Semiconductor]
APE5212 APEXX12 APE0612 APE1012 APE1512 APE2012 AP very low cost voice and melody synthesizer with 4-bits CPU
Contact Gender:Pin; Circular Shell Style:Wall Mount Receptacle; Insert Arrangement:19-32 RoHS Compliant: No
LJT 66C 66#22D SKT WALL RECP 成本低廉的语音和旋律合成4位的CPU
APLUS[Apuls Intergrated Circuits]
Aplus Intergrated Circuits
Aplus Integrated Circuits Inc.
APM2030N APM2030NUC-TR APM2030NU APM2030 N-Channel Enhancement Mode MOSFET
Contact Gender:Pin; Circular Shell Style:Wall Mount Receptacle; Insert Arrangement:25-19 RoHS Compliant: No
LJT 19C 19#12 PIN WALL RECP
Circular Connector; No. of Contacts:19; Series:MS27656; Body Material:Aluminum; Connecting Termination:Crimp; Connector Shell Size:25; Circular Contact Gender:Socket; Circular Shell Style:Wall Mount Receptacle RoHS Compliant: No
ANPEC[Anpec Electronics Coropration]
ETC[ETC]
Anpec Electronics Corporation
AN-7508 HVIC/IGBT Half-Bridge Converter Evaluation Circuit
LJT 37C 37#22D PIN WALL RECP 高压IC / IGBT的半桥转换器评估电路
http://
FAIRCHILD[Fairchild Semiconductor]
Fairchild Semiconductor Corporation
Fairchild Semiconductor, Corp.
AM41DL3208G AM41DL3208GT70I AM41DL3208GT30IT AM41D Circular Connector; No. of Contacts:41; Series:MS27505; Body Material:Aluminum; Connecting Termination:Crimp; Connector Shell Size:21; Circular Contact Gender:Socket; Circular Shell Style:Box Mount Receptacle RoHS Compliant: No
LJT 41C 41#20 PIN RECP
Circular Connector; No. of Contacts:79; Series:MS27505; Body Material:Aluminum; Connecting Termination:Crimp; Connector Shell Size:21; Circular Contact Gender:Socket; Circular Shell Style:Box Mount Receptacle RoHS Compliant: No
LJT 79C 79#22D PIN RECP
LJT 41C 41#20 PIN WALL RECP
Stacked Multi-Chip Package (MCP) Flash Memory and SRAM
Spansion Inc.
Advanced Micro Devices
CP600 CP601 CP604 CP6010 CP602 CP606 CP608 SINGLE-PHASE SILICON BRIDGE-P.C. MTG 3A/ HEAR-SINK MTG 6A
SINGLE-PHASE SILICON BRIDGE-P.C. MTG 3A , HEAT-SINK MTG 6A(VOLTAGE 50 to 1000 Volts CURRENT - P.C. MTG 3A , HEAT-SINK MTG 6A)
SINGLE-PHASE SILICON BRIDGE-P.C. MTG 3A / HEAT-SINK MTG 6A(VOLTAGE 50 to 1000 Volts CURRENT - P.C. MTG 3A / HEAT-SINK MTG 6A)
TRSYS
Pan Jit International Inc.
PanJit International Inc.
ISL6612A ISL6612ACBZ ISL6612ACR-T ISL6612AECB ISL6 Advanced Synchronous Rectified Buck MOSFET Drivers with Pre-POR OVP HALF BRDG BASED MOSFET DRIVER, PDSO8
Hex Schmitt-Trigger Inverters 14-PDIP -40 to 85 HALF BRDG BASED MOSFET DRIVER, PDSO10
Advanced Synchronous Rectified Buck MOSFET Drivers with Pre-POR OVP HALF BRDG BASED MOSFET DRIVER, PDSO10
Circular Connector; No. of Contacts:5; Series:MS27466; Body Material:Aluminum; Connecting Termination:Crimp; Connector Shell Size:11; Circular Contact Gender:Pin; Circular Shell Style:Wall Mount Receptacle; Insert Arrangement:11-5 RoHS Compliant: No
Circular Connector; No. of Contacts:43; Series:MS27466; Body Material:Aluminum; Connecting Termination:Crimp; Connector Shell Size:25; Circular Contact Gender:Socket; Circular Shell Style:Wall Mount Receptacle RoHS Compliant: No
LJT 4C 4#20 PIN RECP JAM RECP
LJT 4C 4#20 SKT RECP
30V N-Channel PowerTrench MOSFET
Circular Connector; No. of Contacts:46; Series:MS27466; Body Material:Aluminum; Connecting Termination:Crimp; Connector Shell Size:25; Circular Contact Gender:Socket; Circular Shell Style:Wall Mount Receptacle RoHS Compliant: No
Contact Gender:Pin; Circular Shell Style:Wall Mount Receptacle; Insert Arrangement:25-46 RoHS Compliant: No
Contact Gender:Pin; Circular Shell Style:Wall Mount Receptacle; Insert Arrangement:25-43 RoHS Compliant: No
Intersil, Corp.
INTERSIL[Intersil Corporation]
AN4839 AN4869 AN4505 AN4506 Circular Connector; No. of Contacts:23; Series:MS27656; Body Material:Aluminum; Connecting Termination:Crimp; Connector Shell Size:17; Circular Contact Gender:Socket; Circular Shell Style:Wall Mount Receptacle RoHS Compliant: No
LJT 55C 55#22D PIN RECP
Power Assemblies
Dynex Semiconductor Ltd.
DYNEX[Dynex Semiconductor]
AD204KY AD204KN AD204JN AD202KY AD202KN AD202JN AD Low Cost/ Miniature Isolation Amplifiers
Circular Connector; No. of Contacts:6; Series:LJTPQ00R; Body Material:Aluminum; Connecting Termination:Crimp; Connector Shell Size:17; Circular Contact Gender:Socket; Circular Shell Style:Wall Mount Receptacle
Contact Gender:Pin; Circular Shell Style:Wall Mount Receptacle; Insert Arrangement:17-6
Circular Connector; MIL SPEC:MIL-DTL-38999 Series I; Body Material:Metal; Series:LJT; No. of Contacts:11; Connector Shell Size:19; Connecting Termination:Crimp; Circular Shell Style:Wall Mount Receptacle; Body Style:Straight RoHS Compliant: No
Circular Connector; MIL SPEC:MIL-DTL-38999 Series I; Body Material:Metal; Series:LJT; No. of Contacts:32; Connector Shell Size:19; Connecting Termination:Crimp; Circular Shell Style:Wall Mount Receptacle; Body Style:Straight RoHS Compliant: No
Circular Connector; No. of Contacts:32; Series:LJTPQ00R; Body Material:Aluminum; Connecting Termination:Crimp; Connector Shell Size:19; Circular Contact Gender:Pin; Circular Shell Style:Wall Mount Receptacle
Circular Connector; No. of Contacts:8; Series:LJTPQ00R; Body Material:Aluminum; Connecting Termination:Crimp; Connector Shell Size:17; Circular Contact Gender:Socket; Circular Shell Style:Wall Mount Receptacle
Analog Devices, Inc.
ANALOG DEVICES INC
CP308 CP3010 CP300 CP306 CP304 CP302 CP301 SINGLE-PHASE SILICON BRIDGE-P.C. MTG 2A, HEAT-SINK MTG 3A 单相硅桥式PC的MTG的甲,热沉MTG3A
SINGLE-PHASE SILICON BRIDGE-P.C. MTG 2A/ HEAT-SINK MTG 3A
Transys Electronics, Ltd.
TRSYS
 
 Related keyword From Full Text Search System
AN7090FHQ infineon AN7090FHQ output data AN7090FHQ terminal AN7090FHQ battery mcu AN7090FHQ wire
AN7090FHQ driver AN7090FHQ Ic-on-line AN7090FHQ Vout AN7090FHQ voltage AN7090FHQ toshiba
 

 

Price & Availability of AN7090FHQ

All Rights Reserved © IC-ON-LINE 2003 - 2022  

[Add Bookmark] [Contact Us] [Link exchange] [Privacy policy]
Mirror Sites :  [www.datasheet.hk]   [www.maxim4u.com]  [www.ic-on-line.cn] [www.ic-on-line.com] [www.ic-on-line.net] [www.alldatasheet.com.cn] [www.gdcy.com]  [www.gdcy.net]


 . . . . .
  We use cookies to deliver the best possible web experience and assist with our advertising efforts. By continuing to use this site, you consent to the use of cookies. For more information on cookies, please take a look at our Privacy Policy. X
0.54461288452148