Part Number Hot Search : 
97EP9 MS6334TR VRE3021K EGP10G D675A 28000 OM4220SC 128128A
Product Description
Full Text Search

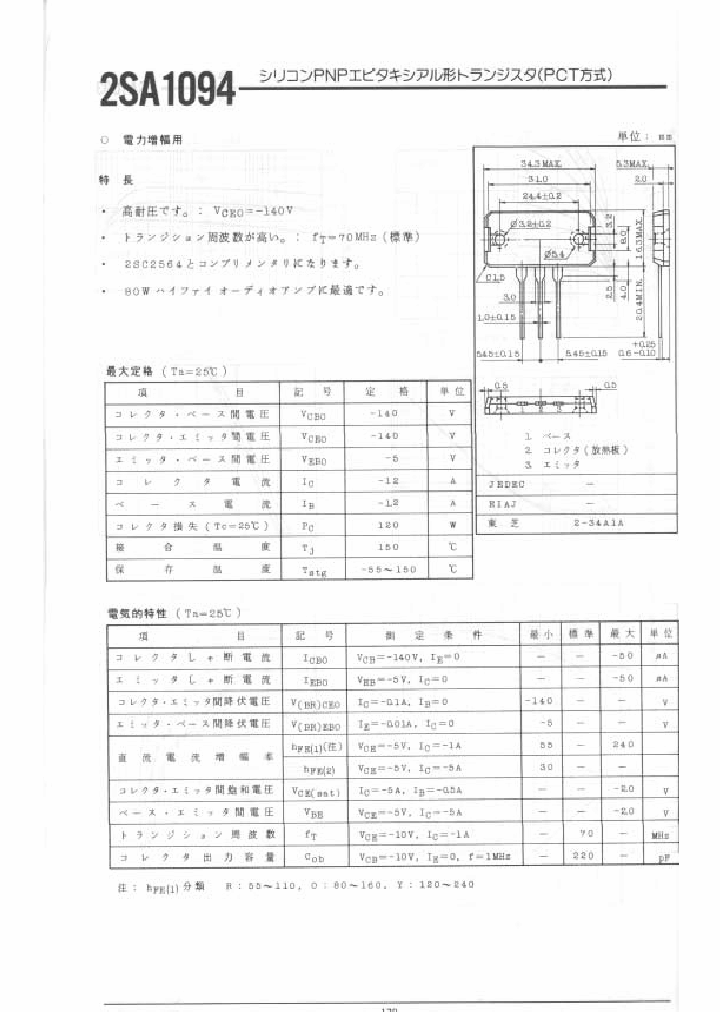
2SA1094 - SILICON PNP EPITAXIAL TRANSISTOR

2SA1094_432896.PDF Datasheet


 Full text search : SILICON PNP EPITAXIAL TRANSISTOR
 Product Description search : SILICON PNP EPITAXIAL TRANSISTOR


 Related Part Number
PART Description Maker
2SA2044 2SC5710 2SA2044FA 2SC5710TP-FA Low-Power, Single/Dual-Voltage µP Reset Circuits with Capacitor-Adjustable Reset Timeout Delay
TRANSISTOR | BJT | PNP | 30V V(BR)CEO | 9A I(C) | TO-252VAR
DC / DC Converter Applications
PNP/NPN Epitaxial Planar Silicon Transistors
PNP / NPN Epitaxial Planar Silicon Transistors
PNP Epitaxial Planar Silicon Transistors DC/DC Converter Applications
SANYO[Sanyo Semicon Device]
Matsshita / Panasonic
2SA1652 2SA1652K PNP epitaxial type silicon transistor
PNP SILICON EPITAXIAL TRANSISTOR FOR HIGH-SPEED SWITCHING
5-Pin µP Supervisory Circuits with Watchdog and Manual Reset
NEC[NEC]
NEC Corp.
2SA1898 0180 PNP Epitaxial Planar Silicon Transistor DC/DC Converter Application
From old datasheet system
PNP Epitaxial Planar Silicon Transistors
Sanyo
2SA1494 Silicon PNP Epitaxial Planar Transistor(硅PNP外延平面晶体 17 A, 200 V, PNP, Si, POWER TRANSISTOR
Silicon PNP Epitaxial Planar Transistor(Audio and General Purpose)
Sanken Electric Co., Ltd.
SANKEN[Sanken electric]
2SC3951 2SA1536 0097 PNP Epitaxial Planar Silicon Transistors High-Definition CRT Display Video Output Applications
From old datasheet system
PNP/NPN Epitaxial Planar Silicon Transistors
Sanyo
2SA1882 0177 PNP Epitaxial Planar Silicon Transistors Low-Frequency General-Purpose Amplifier Applications
From old datasheet system
PNP/NPN Epitaxial Planar Silicon Transistors
Sanyo
2SA1523 0090 PNP Epitaxial Planar Silicon Transistors Switching Applications (with Bias Resistance)
From old datasheet system
PNP/NPN Epitaxial Planar Silicon Transistors
Sanyo
2SA1701 PNP Epitaxial Planar Silicon Transistors Low-Frequency General-Purpose Amplifier Applications
PNP/NPN Epitaxial Planar Silicon Transistors
Sanyo
2SD1826 2SB1224 PNP Epitaxial Planar Silicon Darlington Transistors Driver Applications
PNP/NPN Epitaxial Planar Silicon Darlington Transistor
Sanyo
2SA1707 PNP Epitaxial Planar Silicon Transistors High-Current Switching Applications
PNP/NPN Epitaxial Planar Silicon Transistors
Sanyo
2SD2282 2SB1509 PNP Epitaxial Planar Silicon Transistors High-Current Switching Applications
PNP/NPN Epitaxial Planar Silicon Transistors
Sanyo
BC80725MTFNL BC80816MTF FAIRCHILDSEMICONDUCTORCORP PNP Epitaxial Silicon Transistor 800 mA, 45 V, PNP, Si, SMALL SIGNAL TRANSISTOR
PNP Epitaxial Silicon Transistor; Package: SOT-23; No of Pins: 3; Container: Tape & Reel 800 mA, 25 V, PNP, Si, SMALL SIGNAL TRANSISTOR
Fairchild Semiconductor, Corp.
 
 Related keyword From Full Text Search System
2SA1094 vdd 2SA1094 video 2SA1094 read 2SA1094 texas 2SA1094 programmable
2SA1094 资料查找 2SA1094 varactor 2SA1094 fairchild 2SA1094 pdf 2SA1094 package
 

 

Price & Availability of 2SA1094

All Rights Reserved © IC-ON-LINE 2003 - 2022  

[Add Bookmark] [Contact Us] [Link exchange] [Privacy policy]
Mirror Sites :  [www.datasheet.hk]   [www.maxim4u.com]  [www.ic-on-line.cn] [www.ic-on-line.com] [www.ic-on-line.net] [www.alldatasheet.com.cn] [www.gdcy.com]  [www.gdcy.net]


 . . . . .
  We use cookies to deliver the best possible web experience and assist with our advertising efforts. By continuing to use this site, you consent to the use of cookies. For more information on cookies, please take a look at our Privacy Policy. X
0.44675397872925