Part Number Hot Search : 
SLA7611M FAN8038 71861 SMP1302 OP04C EGPZ30B SI1501DL BYT41M
Product Description
Full Text Search

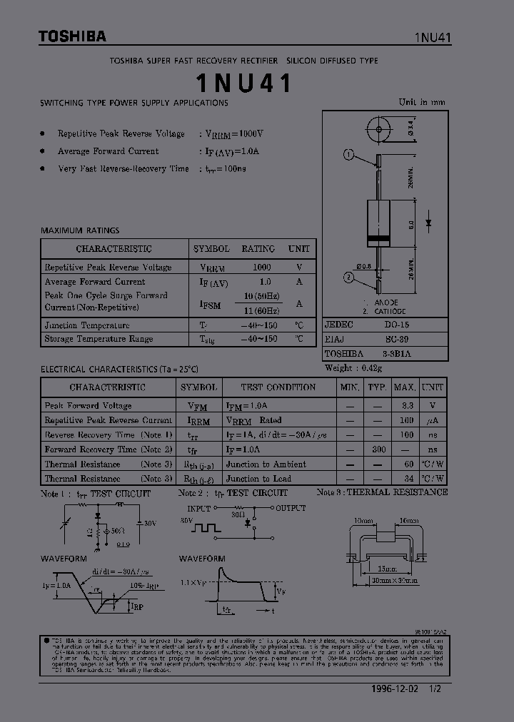
1NU41 - SUPER FAST RECOVERY (SWITCHING TYPE POWER SUPPLY APLICATIONS)

1NU41_422863.PDF Datasheet


 Full text search : SUPER FAST RECOVERY (SWITCHING TYPE POWER SUPPLY APLICATIONS)
 Product Description search : SUPER FAST RECOVERY (SWITCHING TYPE POWER SUPPLY APLICATIONS)


 Related Part Number
PART Description Maker
F10L60U SF10L60 SF10L60U Super Fast Recovery Rectifiers(600V 10A)
Super Fast Recovery Rectifiers - Single (Two Terminal Type)
Shindengen Electric Mfg...
SHINDENGEN[Shindengen Electric Mfg.Co.Ltd]
BYV26AGP BYV26BGP BYV26CGP BYV26DGP BYV26EGP Super Fast Recovery Pack: DO-41
Ultra Fast Recovery Pack: DO-41
SINTERED GLASS JUNCTION FAST SWITCHING PLASTIC RECTIFIER VOLTAGE拢潞 200V to 1000V CURRENT: 1.0A
SINTERED GLASS JUNCTION FAST SWITCHING PLASTIC RECTIFIER VOLTAGE 200V to 1000V CURRENT: 1.0A
Gulf Semiconductor
CSFC301-G CSFC302-G CSFC303-G CSFC304-G CSFC301-G-    SMD Super Fast Recovery Rectifiers
Super Fast Recovery Rectifiers, V-RRM=400V, V-R=400V, I-O=3A
Super Fast Recovery Rectifiers, V-RRM=200V, V-R=200V, I-O=3A
Super Fast Recovery Rectifiers, V-RRM=100V, V-R=100V, I-O=3A
Super Fast Recovery Rectifiers, V-RRM=50V, V-R=50V, I-O=3A
Comchip Technology
DSDI60-18A DSDI60 DSDI60-14A DSDI60-16A Fast Recovery Diodes
Super Fast Recovery Diode
IXYS[IXYS Corporation]
MUR660CT MUR605CT MUR610CT MUR640CT MUR620CT 6.0A, 50V ultra fast recovery rectifier
6 Amp Super Fast Glass Passivated Rectifier 50 to 600 Volts
6.0A, 100V ultra fast recovery rectifier
MCC[Micro Commercial Components]
BYV28-200 BYV28-2GE BYV28-4GE BYV28-6GE BYV28-1GE Super Fast Recovery Pack: DO-201AD
Ultra Fast Recovery Pack: DO-201AD
GLASS PASSIVATED JUNCTION ULTRAFAST EFFICIENT SILICON RECTIFIER VOLTAGE:600V CURRENT:3.5A
Gulf Semiconductor
ES3A-13-F Fast / Super-Fast / Ultra-Fast Recovery Rectifiers
Diodes
PR1006GL PR1003GL PR1001GL PR1007G PR1007GL PR1004 Fast / Super-Fast / Ultra-Fast Recovery Rectifiers
Diodes
PR1505S PR1501S Fast / Super-Fast / Ultra-Fast Recovery Rectifiers
Diodes
UF2004 UF2005 UF2006 UF2007 UF2001 UF2002 UF2003 Fast / Super-Fast / Ultra-Fast Recovery Rectifiers
Diodes
PR1507GS PR1504G PR1504GS Fast / Super-Fast / Ultra-Fast Recovery Rectifiers
Diodes
ES1D-E Super Fast Recovery Pack: SMA
SURFACE MOUNT FAST ULTRAFAST RECTIFIER VOLTAGE?00V CURRENT 1.0A
Gulf Semiconductor
 
 Related keyword From Full Text Search System
1NU41 hlmp 1NU41 level converter 1NU41 Processors 1NU41 Octal 1NU41 circuit diagram
1NU41 digital ic 1NU41 资料查找 1NU41 cost 1NU41 for sale 1NU41 Microelectronic
 

 

Price & Availability of 1NU41

All Rights Reserved © IC-ON-LINE 2003 - 2022  

[Add Bookmark] [Contact Us] [Link exchange] [Privacy policy]
Mirror Sites :  [www.datasheet.hk]   [www.maxim4u.com]  [www.ic-on-line.cn] [www.ic-on-line.com] [www.ic-on-line.net] [www.alldatasheet.com.cn] [www.gdcy.com]  [www.gdcy.net]


 . . . . .
  We use cookies to deliver the best possible web experience and assist with our advertising efforts. By continuing to use this site, you consent to the use of cookies. For more information on cookies, please take a look at our Privacy Policy. X
0.055989027023315