Part Number Hot Search : 
S3V60 2SK2356 GM241 FM3808 MAX20 DLO3416 24S3V EL6248CU
Product Description
Full Text Search

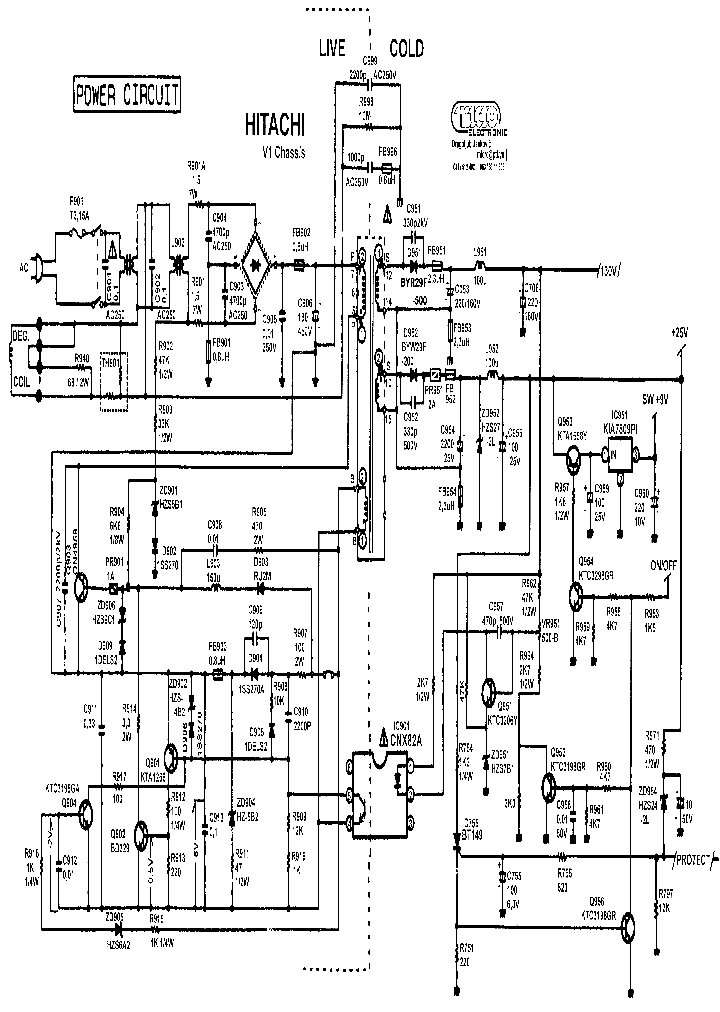
ON4959 - Power Circuit with ON4959

ON4959_405366.PDF Datasheet

 
Part No. ON4959
Description Power Circuit with ON4959

File Size 82.04K  /  1 Page  

Maker


Hitachi Semiconductor



JITONG TECHNOLOGY
(CHINA HK & SZ)
Datasheet.hk's Sponsor

Part: ON4959
Maker: PANASONI(松下)
Pack: TO-220
Stock: 342
Unit price for :
    50: $0.55
  100: $0.53
1000: $0.50

Email: oulindz@gmail.com

Contact us

Homepage http://www.renesas.com/eng/
Download [ ]
[ ON4959 Datasheet PDF Downlaod from Datasheet.HK ]
[ON4959 Datasheet PDF Downlaod from Maxim4U.com ] :-)


[ View it Online ]   [ Search more for ON4959 ]

[ Price & Availability of ON4959 by FindChips.com ]

 Full text search : Power Circuit with ON4959
 Product Description search : Power Circuit with ON4959


 Related Part Number
PART Description Maker
AAT3532 AAT3532IAS-B1 AAT3532IAS-T1 MicroPower?/a> Microprocessor Reset Circuit
MicroPower⑩ Microprocessor Reset Circuit
MicroPower Microprocessor Reset Circuit
TRANSFORMER, 250VA, 2 X 60-55-0-55-60; Power, AC:250VA; Voltages, primary:0-240-380-415; Voltages, secondary:60-55-0-55-60, 60-55-0-55-60; Power, per secondary winding:125VA; Centres, fixing LxW:92 x 75 x 6 dia; Depth, RoHS Compliant: Yes
MicroPowerMicroprocessor Reset Circuit
Quad 2-input positive-AND gates with open collector outputs 14-PDIP 0 to 70 微功耗微处理器复位电路⑩
ANALOGICTECH[Advanced Analogic Technologies]
Advanced Analogic Technologies, Inc.
NTE7061 Integrated Circuit Dual 5.3W Audio Power Amplifier Circuit
NTE[NTE Electronics]
HN7G06FU Power Management Switch Applications, Inverter Circuit Applications, Driver Circuit Applications and Interface Circuit Applications
Toshiba Semiconductor
RN1604 RN1603 RN1601 RN1602 RN1605 RN1606 Transistor Silicon NPN Epitaxial Type (PCT Process) Switching, Inverter Circuit, Interface Circuit And Driver Circuit Applications
Switching/ Inverter Circuit/ Interface Circuit And Driver Circuit Applications
TOSHIBA[Toshiba Semiconductor]
Toshiba Corporation
TDA9105S TDA9106A TDA9109 DTV32F-1500B STMICROELEC HORIZ/VERT DEFLECTION IC, PDIP42
HORIZ/VERT DEFLECTION IC, PDIP32
6 A, 1500 V, SILICON, RECTIFIER DIODE
SPECIALTY CONSUMER CIRCUIT, PDIP30
SPECIALTY CONSUMER CIRCUIT, PDIP14
7.5 A, 450 V, NPN, Si, POWER TRANSISTOR
14 A, 700 V, NPN, Si, POWER TRANSISTOR, TO-218
SPECIALTY CONSUMER CIRCUIT, PDIP42
STMICROELECTRONICS
BCR519 From old datasheet system
NPN Silicon Digital Transistor (Switching circuit, inverter, interface circuit, driver circuit)
Infineon
SIEMENS[Siemens Semiconductor Group]
BCR112 Q62702-C2254 From old datasheet system
NPN Silicon Digital Transistor (Switching circuit, inverter, inferface circuit, driver circuit)
SIEMENS[Siemens Semiconductor Group]
BCR166 Q62702-C2339 From old datasheet system
PNP Silicon Digital Transistor (Switching circuit, inverter, interface circuit, driver circuit)
SIEMENS[Siemens Semiconductor Group]
Infineon
BCR196W From old datasheet system
PNP Silicon Digital Transistor (Switching circuit, inverter, interface circuit, driver circuit)
Siemens Semiconductor Group
BCR191W Q62702-C2281 PNP Silicon Digital Transistor (Switching circuit, inverter, interface circuit, driver circuit)
From old datasheet system
SIEMENS[Siemens Semiconductor Group]
Infineon
BCR158W From old datasheet system
PNP Silicon Digital Transistor (Switching circuit, inverter, interface circuit, driver circuit)
SIEMENS[Siemens Semiconductor Group]
 
 Related keyword From Full Text Search System
ON4959 资料 ON4959 uncooled cel ON4959 IC DATA SHET ON4959 register ON4959 standard
ON4959 price ON4959 semiconductor ON4959 Device ON4959 pitch ON4959 cost
 

 

Price & Availability of ON4959

All Rights Reserved © IC-ON-LINE 2003 - 2022  

[Add Bookmark] [Contact Us] [Link exchange] [Privacy policy]
Mirror Sites :  [www.datasheet.hk]   [www.maxim4u.com]  [www.ic-on-line.cn] [www.ic-on-line.com] [www.ic-on-line.net] [www.alldatasheet.com.cn] [www.gdcy.com]  [www.gdcy.net]


 . . . . .
  We use cookies to deliver the best possible web experience and assist with our advertising efforts. By continuing to use this site, you consent to the use of cookies. For more information on cookies, please take a look at our Privacy Policy. X
0.10781908035278