Part Number Hot Search : 
100CT HAT2026R UPA862TD CG210001 CZRB3062 K9F1G0 PI3C6800 OP270
Product Description
Full Text Search

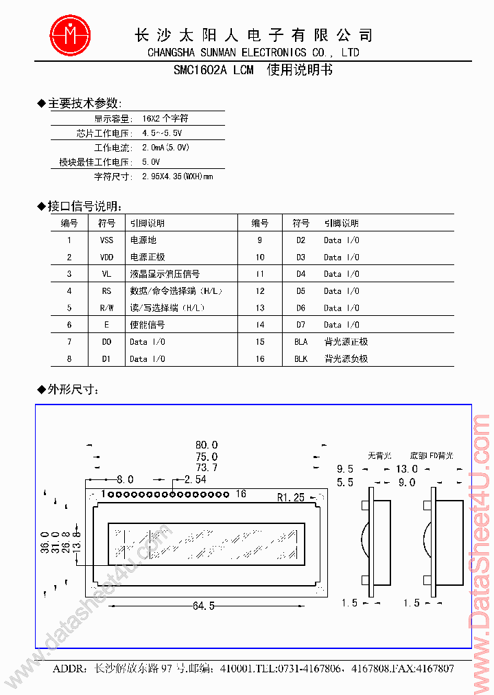
LCD1602A - LCD Module

LCD1602A_398763.PDF Datasheet


 Full text search : LCD Module
 Product Description search : LCD Module


 Related Part Number
PART Description Maker
DMC5001NYL DMF5001NYL 0.3-7.0V 13.4mA LCD module
160 x 128dots;Dot size: 0.54 x 0.54mm; 0.3-7.0V; 1.0mA LCD module
Optrex Corporation
DMC20171NY-LY-B 20characters x 1lines; 5x7dots cursor (1character); 0.3-7.0V 2.0mA LCD module
LCD Module Specification
OPTREX CORPORATION
DMC20261NY-LY-AXE DMC20261NYU-LY 20characters x 2lines; 5x8dots (1character); 0.3-7.0V 2.0mA LCD module
LCD Module Specification
Optrex Corporation
OPTEK[OPTEK Technologies]
DMC5005N-EW DMF5005N-EW 0.3-7.0V 7.0mA LCD module
240 x 64dots;Dot size: 0.49 x 0.49mm; 0.3-7.0V; 1.0mA LCD module
Optrex Corporation
LQ4FN31 Color TFT-LCD Module for AV/Car Navigation(LCD TV/Digital still camera/LCD camcorder)
Color TFT-LCD Module for AV/Car Navigation (LCD TV/Digital still camera/LCD camcorder)
Sharp Electrionic Components
Sharp Corporation
B201SW01V0 B201SW01-V0 LCD Module
Color TFT-LCD
AUO
A070VW04V0 A070VW04-V0 LCD Module
TFT LCD Module
AUO
LQ084S1DH01 SHARP 8.4??TFT LCD MODULE
SHARP 8.4TFT LCD MODULE
SHARP 8.4 TFT LCD MODULE
Electronic Theatre Controls, Inc.
ETC
List of Unclassifed Manufacturers
DMC16230H 16character x 2lines; 5x7dots cursor (1character); 0.3-7.0V 2.0mA LCD module
CD Module Specification
OPTREX CORPORATION
NL8060AC26-17 TFT Color LCD Module(TFT彩色液晶显示器模
TFT Color LCD Module(TFT褰╄?娑叉??剧ず?ㄦā??
NEC Corp.
LQ064A5CG01 Color TFT-LCD Module(LCD TV/Car Navigation)
Color TFT-LCD Module (LCD TV/Car Navigation)
Sharp Electrionic Components
NL10276AC28-01 TFT Color LCD Module(LCD 模块)
TFT Color LCD Module(LCD 妯″?)
NEC Corp.
 
 Related keyword From Full Text Search System
LCD1602A UNITED CHEMI CON LCD1602A level LCD1602A State LCD1602A Level LCD1602A
LCD1602A state LCD1602A amplifier LCD1602A speed LCD1602A Amplifiers LCD1602A supply
 

 

Price & Availability of LCD1602A

All Rights Reserved © IC-ON-LINE 2003 - 2022  

[Add Bookmark] [Contact Us] [Link exchange] [Privacy policy]
Mirror Sites :  [www.datasheet.hk]   [www.maxim4u.com]  [www.ic-on-line.cn] [www.ic-on-line.com] [www.ic-on-line.net] [www.alldatasheet.com.cn] [www.gdcy.com]  [www.gdcy.net]


 . . . . .
  We use cookies to deliver the best possible web experience and assist with our advertising efforts. By continuing to use this site, you consent to the use of cookies. For more information on cookies, please take a look at our Privacy Policy. X
0.37157702445984