Part Number Hot Search : 
PC0703 AD1148 R3040 2831A 1N5939A 1N6070E3 A114E 1A334
Product Description
Full Text Search

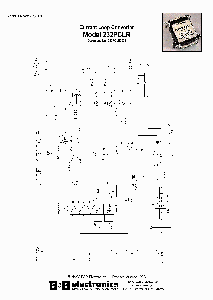
232PCLR - Current Loop Converter

232PCLR_376445.PDF Datasheet


 Full text search : Current Loop Converter
 Product Description search : Current Loop Converter


 Related Part Number
PART Description Maker
XL4501E1 5A 150KHz 36V Buck DC/DC Converter With Constant Current Loop
List of Unclassifed Man...
XL4201E1 3A 150KHz 40V Buck DC/DC Converter With Constant Current Loop
List of Unclassifed Man...
232PCL2895 232PCL 5V High-Speed RS-232 Transceivers with 0.1uF Capacitors
RS-232 to Current Loop Converter
From old datasheet system
Electronic Theatre Controls, Inc.
List of Unclassifed Manufacturers
ETC[ETC]
B&B Electronics
7B35 7B35-01-1 7B35-01-2 Isolated Process Current Input Signal Conditioning Module with Isolated 24 V Loop Power
Isolated Process Current Input with Loop Power
Analog Devices
BAS70-04T BAS70-05 BAS70-04 BAS70-02L BAS70-05W BA SENSOR VACUUM GAGE .3PSI
CSCA-A Series Hall-effect based, open-loop current sensor, Gallant connector, 400 A rms nominal, ±900 A range
CSCA-A Series Hall-effect based, open-loop current sensor, Molex-type connector, 200 A rms nominal, ±600 A range
CSCA-A Series Hall-effect based, open-loop current sensor, Gallant connector, 100 A rms nominal, ±300 A range
Silicon Schottky Diode
Latest Silicon Discretes - Schottky Diode for switching applications
INFINEON[Infineon Technologies AG]
AN-102 Loop Current Detection for LITELINK
IXYS Corporation
EB-LP 4-20mA Current Loop Application Board for DMS-30LCD Meters
Murata Manufacturing Co., Ltd.
PBYR1025D PBYR1020D RS232 TO CURRENT LOOP DB25M/TERM BLOCK - JAPAN
RECTIFIER DIODES SCHOTTKY BARRIER
PHILIPS[Philips Semiconductors]
NXP Semiconductors
TFC30P80200A-CL420 TFC30P80600A-CL420 TFC30P80400A Topstek True RMS Current Transducer
Highly reliable Open Loop Hall Effect device
Topstek Inc.
TRU050-GBLGA-1M0000000 TRU050-GBLGA-65M0000000 TRU PHASE LOCKED LOOP, CDSO16
PHASE LOCKED LOOP, CDIP16
Complete VCXO based Phase-Locked Loop
Vectron International, Inc
 
 Related keyword From Full Text Search System
232PCLR download 232PCLR stmicroelectronics 232PCLR configuration 232PCLR circuit 232PCLR optical
232PCLR equivalent ic 232PCLR npn 232PCLR equivalent ic 232PCLR 替换的 232PCLR rohm
 

 

Price & Availability of 232PCLR

All Rights Reserved © IC-ON-LINE 2003 - 2022  

[Add Bookmark] [Contact Us] [Link exchange] [Privacy policy]
Mirror Sites :  [www.datasheet.hk]   [www.maxim4u.com]  [www.ic-on-line.cn] [www.ic-on-line.com] [www.ic-on-line.net] [www.alldatasheet.com.cn] [www.gdcy.com]  [www.gdcy.net]


 . . . . .
  We use cookies to deliver the best possible web experience and assist with our advertising efforts. By continuing to use this site, you consent to the use of cookies. For more information on cookies, please take a look at our Privacy Policy. X
0.041123867034912