Part Number Hot Search : 
H3202 C74LVX 70LS0 06R12 2N30P S3620 2SK1452 REF25
Product Description
Full Text Search

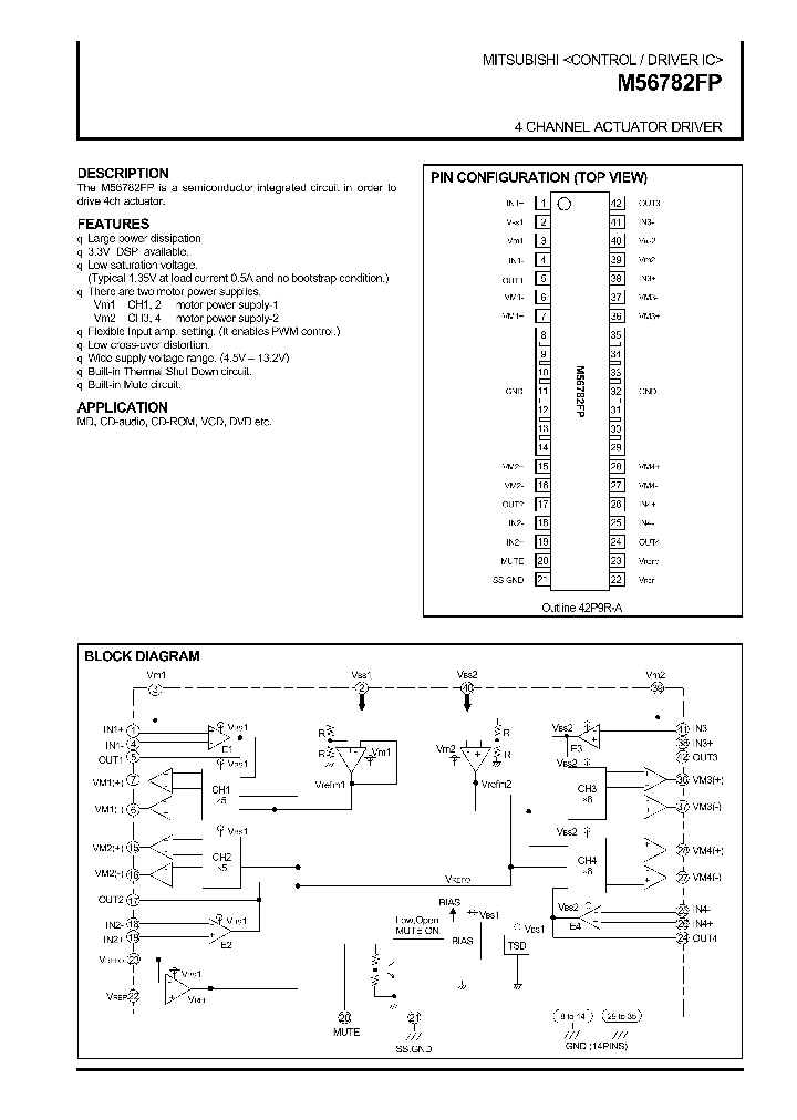
M56782FP - 4 CHANNEL ACTUATOR DRIVER From old datasheet system

M56782FP_361502.PDF Datasheet


 Full text search : 4 CHANNEL ACTUATOR DRIVER From old datasheet system
 Product Description search : 4 CHANNEL ACTUATOR DRIVER From old datasheet system


 Related Part Number
PART Description Maker
BA6996 BA6996FP Optical Disc LSIs > Motor/Actuator driver > CD/CD-ROM driver(5ch,6ch)
5-channel BTL driver for CD and MD Players
Rohm CO.,LTD.
BA5941FP A5800724 Optical Disc LSIs > Motor/Actuator driver > CD/CD-ROM driver(4ch)
4-channel BTL driver for CD players
From old datasheet system
Rohm
BA5933FP-Y BA5933FPY A5800798 Optical Disc LSIs > Motor/Actuator driver > CD/CD-ROM driver(1ch-3ch)
3-channel BTL driver for CD players
From old datasheet system
Rohm
UPD16857 UPD16857GS DVD-RAM actuator driver
MONOLITHIC 6 channel H-BRIDGE DRIVER
NEC[NEC]
M56753FP M56753E From old datasheet system
2-CHANNEL ACTUATOR MOTOR DRIVER
MITSUBISHI[Mitsubishi Electric Semiconductor]
BA5960FS    5 Channel Driver for with Regulator
Optical Disc LSIs > Motor/Actuator driver > CD/CD-ROM driver(5ch,6ch)
DISK DRIVE MOTOR CONTROLLER, 1 A, PDSO54
ROHM
LA6565 Operational Amplifiers: BTL: 4ch, H-bridge: 1ch
Five-Channel CD Actuator Driver
Sanyo Semicon Device
http://
BH6519FS Optical Disc LSIs > Motor/Actuator driver > CD/CD-ROM driver(4ch)
ROHM
BA5824FP Optical Disc LSIs > Motor/Actuator driver > CD/CD-ROM driver(4ch)
ROHM
 
 Related keyword From Full Text Search System
M56782FP lead M56782FP frequency M56782FP number M56782FP data sheet ic M56782FP epitaxial
M56782FP 的参数 M56782FP Band M56782FP 应用线路 M56782FP dual M56782FP complimentary
 

 

Price & Availability of M56782FP

All Rights Reserved © IC-ON-LINE 2003 - 2022  

[Add Bookmark] [Contact Us] [Link exchange] [Privacy policy]
Mirror Sites :  [www.datasheet.hk]   [www.maxim4u.com]  [www.ic-on-line.cn] [www.ic-on-line.com] [www.ic-on-line.net] [www.alldatasheet.com.cn] [www.gdcy.com]  [www.gdcy.net]


 . . . . .
  We use cookies to deliver the best possible web experience and assist with our advertising efforts. By continuing to use this site, you consent to the use of cookies. For more information on cookies, please take a look at our Privacy Policy. X
0.50326490402222