Part Number Hot Search : 
SR540 16160 DG45811 43NJ10RE SMTPA220 OP298A LB1265M IRF6617
Product Description
Full Text Search

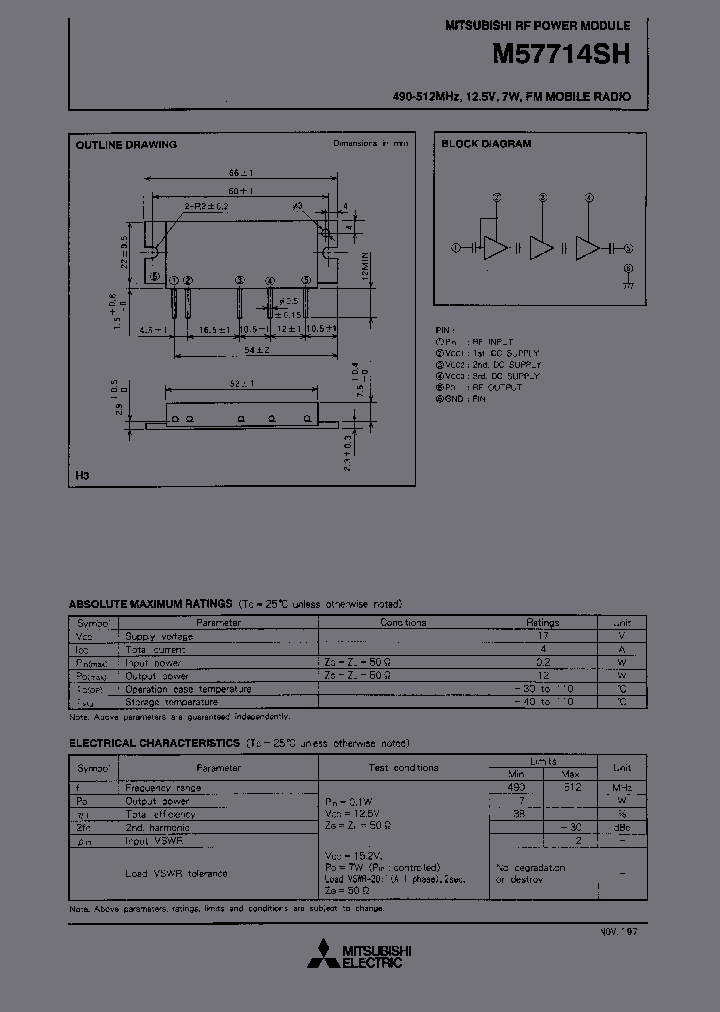
M57714SH - 490-512MHz 12.5V,7W,FM MOBILE RADIO From old datasheet system 490-512MHZ, 12.5V, 7W, FM MOBILE RADIO 490-512MHz 12.5V /7W /FM MOBILE RADIO

M57714SH_349937.PDF Datasheet


 Full text search : 490-512MHz 12.5V,7W,FM MOBILE RADIO From old datasheet system 490-512MHZ, 12.5V, 7W, FM MOBILE RADIO 490-512MHz 12.5V /7W /FM MOBILE RADIO
 Product Description search : 490-512MHz 12.5V,7W,FM MOBILE RADIO From old datasheet system 490-512MHZ, 12.5V, 7W, FM MOBILE RADIO 490-512MHz 12.5V /7W /FM MOBILE RADIO


 Related Part Number
PART Description Maker
M57714SH 57714SH 490-512MHz 12.5V,7W,FM MOBILE RADIO
From old datasheet system
490-512MHZ, 12.5V, 7W, FM MOBILE RADIO
490-512MHz 12.5V /7W /FM MOBILE RADIO
Mitsubishi Electric Semiconductor
M67749SHR 490-512MHz, 12.5V, 7W, FM PORTABLE RADIO 490 - 512MHz2.5V瓦,调频便携式收音机
490-512MHz / 12.5V / 7W / FM PORTABLE RADIO
RF POWER MODULE 490-512MHz, 12.5V, 7W, FM PORTABLE RADIO
Mitsubishi Electric, Corp.
MITSUBISHI[Mitsubishi Electric Semiconductor]
Mitsubishi Electric Corporation
M57721 57721 450-512MHz 12.5V /7W /FM PORTABLE RADIO
450-512MHz 12.5V,7W,FM PORTABLE RADIO
450-512MHZ, 12.5V, 7W, FM MOBILE RADIO
From old datasheet system
Mitsubishi Electric Semiconductor
M57788UH 470-490 MHz 12.5V, 40W, FM MOBILE RADIO
Mitsubishi Electric Corporation
GRM21BF51C106ZE15L GRM188R71H103KA01D 100A0R8BW150 30MHz TO 512MHz, 9W GaN WIDEBAND
RF Micro Devices
TA1112A SAW Filter 490 MHz
TAI-SAW TECHNOLOGY CO., LTD.
NX7437AG-AA NX7437BF-AA 1 490 nm InGaAsP MQW-FP LASER DIODE COAXIAL MODULE FOR OTDR APPLICATION
California Eastern Labs
MOC Applications: Wired Network, Automotive, Mobile Communication, WiMAX, WLAN, Mobile
MERITEK ELECTRONICS COR...
HYE18L512320BF-7.5 HYB18L512320BF-7.5 DRAMs for Mobile Applications 512-Mbit SDR Mobile-RAM
http://
Qimonda AG
HYB18L256160BCL-7.5 HYB18L256160BFL-7.5 DRAMs for Mobile Applications 256-Mbit Mobile-RAM
Qimonda AG
HYE18L256160BFX-7.5 HYE18L256160BCX-7.5 HYB18L2561 DRAMs for Mobile Applications 256-Mbit Mobile-RAM
Qimonda AG
 
 Related keyword From Full Text Search System
M57714SH availability M57714SH Number M57714SH 型号替换 M57714SH DATASHEET PDF M57714SH electronics
M57714SH bus M57714SH positive M57714SH mitsubishi M57714SH Reset M57714SH samsung
 

 

Price & Availability of M57714SH

All Rights Reserved © IC-ON-LINE 2003 - 2022  

[Add Bookmark] [Contact Us] [Link exchange] [Privacy policy]
Mirror Sites :  [www.datasheet.hk]   [www.maxim4u.com]  [www.ic-on-line.cn] [www.ic-on-line.com] [www.ic-on-line.net] [www.alldatasheet.com.cn] [www.gdcy.com]  [www.gdcy.net]


 . . . . .
  We use cookies to deliver the best possible web experience and assist with our advertising efforts. By continuing to use this site, you consent to the use of cookies. For more information on cookies, please take a look at our Privacy Policy. X
0.25842595100403