Part Number Hot Search : 
K2224 C1H15 31818 1N3741 45030 PIP250H1 MICSW06 FDB603AL
Product Description
Full Text Search

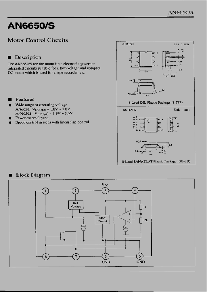
AN6650 - Motor Control Circuits

AN6650_319263.PDF Datasheet

 
Part No. AN6650 AN6650S
Description Motor Control Circuits

File Size 89.68K  /  4 Page  

Maker


PANASONIC[Panasonic Semiconductor]



JITONG TECHNOLOGY
(CHINA HK & SZ)
Datasheet.hk's Sponsor

Part: AN6650
Maker:
Pack: DIP8
Stock: 6928
Unit price for :
    50: $0.23
  100: $0.21
1000: $0.20

Email: oulindz@gmail.com

Contact us

Homepage http://www.panasonic.co.jp/semicon/e-index.html
Download [ ]
[ AN6650 AN6650S Datasheet PDF Downlaod from Datasheet.HK ]
[AN6650 AN6650S Datasheet PDF Downlaod from Maxim4U.com ] :-)


[ View it Online ]   [ Search more for AN6650 ]

[ Price & Availability of AN6650 by FindChips.com ]

 Full text search : Motor Control Circuits
 Product Description search : Motor Control Circuits


 Related Part Number
PART Description Maker
AN6650 AN6650S Motor Control Circuits
PANASONIC[Panasonic Semiconductor]
SX8120ISTRT SX8121ISTRT SX812X 1 V motor/LED control timers
1V Motor/LED control timer ADVANCED COMMUNICATIONS & SENSING
Semtech Corporation
MIG20J806HA MIG20J806H EE08617 Silicon N-channel integrated IGBT module for high power switching, motor control applications
N CHANNEL IGBT (HIGH POWER SWITCHING/ MOTOR CONTROL APPLICATIONS)
HIGH POWER SWITCHING APPLICATIONS MOTOR CONTROL APPLICATIONS
From old datasheet system
N CHANNEL IGBT (HIGH POWER SWITCHING, MOTOR CONTROL APPLICATIONS) N通道IGBT的(大功率开关,马达控制应用
TOSHIBA[Toshiba Semiconductor]
Toshiba, Corp.
AM6651BU AM6651B AM6651BU-E1 MOTOR CONTROL CIRCUIT DISK DRIVE MOTOR CONTROLLER, PSIP4
BCD SEMICONDUCTOR MANUFACTURING LTD
BCD Semiconductor Manufacturing, Ltd.
BCD Semiconductor Manufacturing Limited
SDURF15120CT SDURF15120CTR    Free wheeling diode in converters and motor control circuits
Sangdest Microelectroni...
MTD200510 Constant Current Control Function (Fixed Frequency PWM Control)
STEPPER MOTOR CONTROLLER, 1.3 A, ZFM27
Shindengen Electric Mfg.Co.Ltd
MG120V2YS40 E007864 N CHANNEL IGBT (HIGH PWER SWITCHING / MOTOR CONTROL APPLICATIONS)
HIGH POWER SWITCHING APPLICATIONS MOTOR CONTROL APPLICATIONS
From old datasheet system
N CHANNEL IGBT (HIGH PWER SWITCHING, MOTOR CONTROL APPLICATIONS)
TOSHIBA[Toshiba Semiconductor]
M54548AL M54548 BI-DIRECTIONAL MOTOR DRIVER WITH MOTER SPEED CONTROL
Bi-Directional Motor Driver with Motor Speed Control
Mitsubishi Electric Semiconductor
Mitsubishi Electric Corporation
MG75J6ES50 E002395 N CHANNEL IGBT (HIGH POWER SWITCHING, MOTOR CONTROL APPLICATIONS) N通道IGBT的(大功率开关,马达控制应用
N CHANNEL IGBT (HIGH POWER SWITCHING / MOTOR CONTROL APPLICATIONS)
From old datasheet system
Toshiba, Corp.
Toshiba Semiconductor
 
 Related keyword From Full Text Search System
AN6650 outputs AN6650 voltage AN6650 circuit AN6650 Fixed AN6650 table
AN6650 intersil AN6650 Silicon AN6650 gain AN6650 infineon AN6650 価格
 

 

Price & Availability of AN6650

All Rights Reserved © IC-ON-LINE 2003 - 2022  

[Add Bookmark] [Contact Us] [Link exchange] [Privacy policy]
Mirror Sites :  [www.datasheet.hk]   [www.maxim4u.com]  [www.ic-on-line.cn] [www.ic-on-line.com] [www.ic-on-line.net] [www.alldatasheet.com.cn] [www.gdcy.com]  [www.gdcy.net]


 . . . . .
  We use cookies to deliver the best possible web experience and assist with our advertising efforts. By continuing to use this site, you consent to the use of cookies. For more information on cookies, please take a look at our Privacy Policy. X
0.048987865447998