Part Number Hot Search : 
HI508A MMA8451Q 090814 MM1069 1921A090 CY2DP814 SMA160 MAX5069
Product Description
Full Text Search

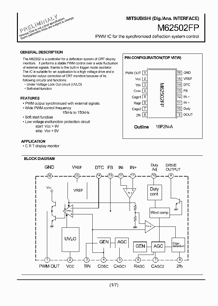
M62502FP - PWM IC for the synchronized deflection system control

M62502FP_287163.PDF Datasheet


 Full text search : PWM IC for the synchronized deflection system control
 Product Description search : PWM IC for the synchronized deflection system control


 Related Part Number
PART Description Maker
MC44605-D High Safety, Latched Mode, GreenLine PWM Controller for (Multi)Synchronized Applications
High Safety GreenLine PWM Controller For (Multi) S
ON Semiconductor
M62501FP M62501P PWM IC for the synchronized deflection system control
SMPS CONTROLLER,VOLTAGE-MODE,BIPOLAR,DIP,16PIN,PLASTIC
SMPS CONTROLLER,VOLTAGE-MODE,BIPOLAR,SOP,16PIN,PLASTIC
Mitsubishi Electric Corporation
Mitsubishi Electric & Electronics USA
XC6368C401ML XC6368C402ML XC6368C152MR XC6367D101M PWM Controlled, PWM/PFM Switchable Step-Up DC/DC Controllers PWM控制,PWM / PFM切换升压DC / DC控制
TOREX SEMICONDUCTOR LTD.
Torex Semiconductor, Ltd.
UC3550 UC3550G-XX-AF5-R UC3550L-XX-AF5-R UC355011 PWM CONTROLLED PWM/PFM SWITCHABLE STEP-UP DC-DC CONTROLLER DESCRIPTION
Unisonic Technologies
XC93011 XC9301 PWM,PWM/PFM Switching Step-Up & Down DC/DC Converter Controller ICs
Torex Semiconductor
XC9302SERIES XC9301SERIES TOR114 PWM,PWM/PFM Switching Step-Up & Down DC/DC Converter Controller ICs
From old datasheet system
Torex
AP3103A AP3103AKTR-G1 Analog - AC-DC Converters - Offline PWM Controllers
COST EFFECTIVE GREEN PWM CONTROLLER
Diodes Incorporated
XC6376A333SR XC6377FXX5SR XC6376 XC6376AXX2SL XC63 PWM Controlled PWM/PFM Switchable Step-down DC/DC Converters
TOREX[Torex Semiconductor]
XC6367 PWM Controlled, PWM/PFM Switchable Step-Up DC/DC Controllers
Torex Semiconductor
XC6366D103ML XC6366D103MR XC6366D105ML XC6366D102M PWM Controllde, PWM/PFM Switchable Step-Down DC/DC Converers
TOREX SEMICONDUCTOR LTD.
FAN7585 FAN7585SN PWM AND SECONDARY COMBO IC
Intelligent Voltage Mode PWM IC
FAIRCHILD[Fairchild Semiconductor]
 
 Related keyword From Full Text Search System
M62502FP china datasheet M62502FP command M62502FP filetype:pdf M62502FP Processor M62502FP Pin
M62502FP ic资料查询 M62502FP molex M62502FP chip M62502FP использование M62502FP Matsushita
 

 

Price & Availability of M62502FP

All Rights Reserved © IC-ON-LINE 2003 - 2022  

[Add Bookmark] [Contact Us] [Link exchange] [Privacy policy]
Mirror Sites :  [www.datasheet.hk]   [www.maxim4u.com]  [www.ic-on-line.cn] [www.ic-on-line.com] [www.ic-on-line.net] [www.alldatasheet.com.cn] [www.gdcy.com]  [www.gdcy.net]


 . . . . .
  We use cookies to deliver the best possible web experience and assist with our advertising efforts. By continuing to use this site, you consent to the use of cookies. For more information on cookies, please take a look at our Privacy Policy. X
0.063000917434692