Part Number Hot Search : 
BSW66A 30KP66CA 60MHZ 80ZFP 5C240GC 1N5446 BD721 TCD1708D
Product Description
Full Text Search

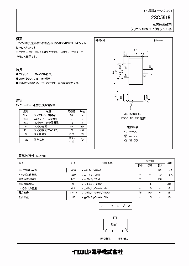
2SC5619 - SMALL-SIGNAL TRANSISTOR 2SC5619

2SC5619_262636.PDF Datasheet

 
Part No. 2SC5619
Description SMALL-SIGNAL TRANSISTOR
2SC5619

File Size 143.18K  /  3 Page  

Maker


List of Unclassifed Manufacturers
ETC
Isahaya Electronics Corporation



JITONG TECHNOLOGY
(CHINA HK & SZ)
Datasheet.hk's Sponsor

Part: 2SC5610
Maker: SANYO
Pack: TO-220..
Stock: Reserved
Unit price for :
    50: $0.28
  100: $0.26
1000: $0.25

Email: oulindz@gmail.com

Contact us

Homepage
Download [ ]
[ 2SC5619 Datasheet PDF Downlaod from Datasheet.HK ]
[2SC5619 Datasheet PDF Downlaod from Maxim4U.com ] :-)


[ View it Online ]   [ Search more for 2SC5619 ]

[ Price & Availability of 2SC5619 by FindChips.com ]

 Full text search : SMALL-SIGNAL TRANSISTOR 2SC5619
 Product Description search : SMALL-SIGNAL TRANSISTOR 2SC5619


 Related Part Number
PART Description Maker
BCX23 BCX24 MM4257 2N5183 BSY62 BSX36 BSX79 BSY79 ECONOLINE: RJ & RG - Dual Output from a Single Input Rail - 3kVDC & 4kVDC Isolation - Optional Continuous Short Circuit Protected - Custom Solutions
Small Signal Transistors 125 V, NPN, Si, SMALL SIGNAL TRANSISTOR, TO-18
Leaded Small Signal Transistor General Purpose
15 V, NPN, Si, SMALL SIGNAL TRANSISTOR, TO-18
Central Semiconductor C...
http://
Seme LAB
CENTRAL[Central Semiconductor Corp]
Central Semiconductor Corp.
Central Semiconductor, Corp.
BSS125 Q67000-S233 Q62702-S021 Q67000-S008 BSS125Q N-Channel SIPMOS Small-Signal Transistor
SIPMOS ? Small-Signal Transistor
16 Characters x 1 Lines, 5x7 Dot Matrix Character and Cursor
Transient Voltage Suppressor Diodes
SIPMOS Small-Signal Transistor (N channel Enhancement mode) SIPMOS小信号晶体管N通道增强模式
SIPMOS Small-Signal Transistor (N channel Enhancement mode) 100 mA, 600 V, N-CHANNEL, Si, SMALL SIGNAL, MOSFET, TO-92
SIEMENS[Siemens Semiconductor Group]
Infineon
SIEMENS AG
2N3906 2N3904 2N3417 2N4123 2N4125 2N4124 2N4400 2 Small Signal Transistors 45 V, NPN, Si, SMALL SIGNAL TRANSISTOR, TO-92
; Connector Type A:TX6 PLUS Modular Plug; Cable Length:10ft; Color:Off-white
Leaded Small Signal Transistor General Purpose
Central Semiconductor, Corp.
Central Semiconductor Corp.
CENTRAL[Central Semiconductor Corp]
2N4938 2N6502 MD2369 MD2369A MD2369B MD7003 MD7003 Leaded Small Signal Transistor Dual
HSD 8 ROW 10 COL OPEN END BP ASSY
Dual Transistors 30 mA, 40 V, 2 CHANNEL, NPN, Si, SMALL SIGNAL TRANSISTOR, TO-78
Dual Transistors 500 mA, 30 V, 2 CHANNEL, NPN, Si, SMALL SIGNAL TRANSISTOR, TO-78
Dual Transistors 2 CHANNEL, NPN, Si, SMALL SIGNAL TRANSISTOR, TO-78
Dual Transistors 50 mA, 40 V, 2 CHANNEL, PNP, Si, SMALL SIGNAL TRANSISTOR, TO-78
Dual Transistors NPN, Si, SMALL SIGNAL TRANSISTOR, TO-78
CENTRAL[Central Semiconductor Corp]
Motorola, Inc
Central Corp
Central Semiconductor Corp.
Central Semiconductor, Corp.
Central Semiconductor C...
GS9012 TRANSISTOR 500 mA, 20 V, PNP, Si, SMALL SIGNAL TRANSISTOR, TO-226AA, PLASTIC, TO-92, 3 PIN, BIP General Purpose Small Signal
Vishay Semiconductors
DDTC114ECA DDTC114ECA-7 DDTC124ECA DDTC124ECA-7 DD STIPAX PROMO; RoHS Compliant: NA
NPN PRE-BIASED SMALL SIGNAL SOT-23 SURFACE MOUNT TRANSISTOR 50 mA, 50 V, NPN, Si, SMALL SIGNAL TRANSISTOR
NPN PRE-BIASED SMALL SIGNAL SOT-23 SURFACE MOUNT TRANSISTOR npn型预偏置信号小的SOT - 23表面贴装晶体
NPN PRE-BIASED SMALL SIGNAL SOT-23 SURFACE MOUNT TRANSISTOR 100 mA, 50 V, NPN, Si, SMALL SIGNAL TRANSISTOR
Diodes Inc.
Diodes, Inc.
DIODES[Diodes Incorporated]
DTB113ZLTL3 DTB123TAC2 DTB133HA DTC343TAC2 DTB123E 500 mA, 50 V, PNP, Si, SMALL SIGNAL TRANSISTOR FTL, 3 PIN
500 mA, 40 V, PNP, Si, SMALL SIGNAL TRANSISTOR
600 mA, 15 V, NPN, Si, SMALL SIGNAL TRANSISTOR

P038 MPSD01 500 mA, 300 V, PNP, Si, SMALL SIGNAL TRANSISTOR, TO-92
100 mA, 200 V, NPN, Si, SMALL SIGNAL TRANSISTOR, TO-92

JANS2N2906A JAN2N2907A JANTX2N2907A JANTX2N2907AL PNP SMALL SIGNAL SILICON TRANSISTOR 600 mA, 60 V, PNP, Si, SMALL SIGNAL TRANSISTOR
64 x 18 asynchronous FIFO memory 56-SSOP 0 to 70 600 mA, 60 V, PNP, Si, SMALL SIGNAL TRANSISTOR
PNP Transistor
Microsemi, Corp.
MICROSEMI[Microsemi Corporation]
BUZ40B BSP372 BSP373 BSS129 BSS101 SN7000 BSS135 8 A, 500 V, 0.8 ohm, N-CHANNEL, Si, POWER, MOSFET, TO-220 TO-220, 3 PIN
SIPMOS Small-Signal Transistor (N channel Enhancement mode Logic Level Avalanche rated 1.7 A, 100 V, 0.3 ohm, N-CHANNEL, Si, POWER, MOSFET
SIPMOS Small-Signal Transistor (N channel Enhancement mode Avalanche rated)
150 mA, 240 V, N-CHANNEL, Si, SMALL SIGNAL, MOSFET, TO-92
130 mA, 240 V, N-CHANNEL, Si, SMALL SIGNAL, MOSFET, TO-92
250 mA, 60 V, N-CHANNEL, Si, SMALL SIGNAL, MOSFET, TO-92
80 mA, 600 V, N-CHANNEL, Si, SMALL SIGNAL, MOSFET, TO-92
Infineon Technologies AG
SIEMENS AG
SIEMENS A G
 
 Related keyword From Full Text Search System
2SC5619 Precision 2SC5619 电子元件中文资料网站 2SC5619 availability 2SC5619 资料查找 2SC5619 IC DATA SHET
2SC5619 Characteristic 2SC5619 array 2SC5619 barrier 2SC5619 found 2SC5619 Download
 

 

Price & Availability of 2SC5619

All Rights Reserved © IC-ON-LINE 2003 - 2022  

[Add Bookmark] [Contact Us] [Link exchange] [Privacy policy]
Mirror Sites :  [www.datasheet.hk]   [www.maxim4u.com]  [www.ic-on-line.cn] [www.ic-on-line.com] [www.ic-on-line.net] [www.alldatasheet.com.cn] [www.gdcy.com]  [www.gdcy.net]


 . . . . .
  We use cookies to deliver the best possible web experience and assist with our advertising efforts. By continuing to use this site, you consent to the use of cookies. For more information on cookies, please take a look at our Privacy Policy. X
0.073931932449341