Part Number Hot Search : 
VN1306N3 SLA5177H UFM301 PE4609 UZ5120 01140 6432B CS206
Product Description
Full Text Search

CA311 - Voltage Comparator For Commercial Industrial Applications

CA311_231003.PDF Datasheet

 
Part No. CA311 LM311
Description Voltage Comparator For Commercial Industrial Applications

File Size 485.73K  /  8 Page  

Maker

INTERSIL[Intersil Corporation]



JITONG TECHNOLOGY
(CHINA HK & SZ)
Datasheet.hk's Sponsor

Part: CA311T
Maker: HARRIS
Pack: CAN
Stock: 1773
Unit price for :
    50: $4.68
  100: $4.44
1000: $4.21

Email: oulindz@gmail.com

Contact us

Homepage
Download [ ]
[ CA311 LM311 Datasheet PDF Downlaod from Datasheet.HK ]
[CA311 LM311 Datasheet PDF Downlaod from Maxim4U.com ] :-)


[ View it Online ]   [ Search more for CA311 ]

[ Price & Availability of CA311 by FindChips.com ]

 Full text search : Voltage Comparator For Commercial Industrial Applications
 Product Description search : Voltage Comparator For Commercial Industrial Applications


 Related Part Number
PART Description Maker
LM393AFE LM393FE LM393N LM193FE LM193A LM293AN LM2 Low power dual voltage comparator DUAL COMPARATOR, 4000 uV OFFSET-MAX, 1300 ns RESPONSE TIME, CDIP8
LM193/293/393/A/2903 Dual Voltage Comparator
NXP Semiconductors N.V.
PHILIPS[Philips Semiconductors]
ALD2302 ALD2321BSC Ultra Low Vos EPAD® Dual CMOS Analog Voltage Comparator
DUAL PRECISION CMOS VOLTAGE COMPARATOR WITH PUSH-PULL DRIVER
Advanced Linear Devices
ADCMP565BP ADCMP565 ADCMP565BPZ DUAL COMPARATOR, 6000 uV OFFSET-MAX, 0.375 ns RESPONSE TIME, PQCC20
Dual Ultrafast Voltage Comparator (Formerly the AD53519)
ANALOG DEVICES INC
AD[Analog Devices]
UA111 UA311 Voltage Comparator
Single Comparator
Fairchild Semiconductor
TA7522F TA7522S EA09629 DUAL VOLTAGE COMPARATOR
From old datasheet system
VOLT COMPARATOR,DUAL,BIPOLAR,SIP,9PIN,PLASTIC
VOLT COMPARATOR,DUAL,BIPOLAR,SOP,8PIN,PLASTIC
Toshiba.
MC3524 MC3524A (MC3x24) Power Supply Supervisory Circuit / Dual Voltage Comparator
(MC3x24A) Power Supply Supervisory Circuit / Dual Voltage Comparator
Motorola
SA58603 SA58603_2 SA58603D High precision operational amplifier,comparator, and voltage reference
HIGH PRECISION OPERATIONAL AMPLIFIER, COMPARATOR, AND VOLTAGE REFERENCE
From old datasheet system
Philips Semiconductors
NXP Semiconductors
AD790BQ AD79002 AD790JRZ-REEL7 AD790AQ AD790KN Fast, Precision Comparator; Package: SOIC; No of Pins: 8; Temperature Range: Commercial COMPARATOR, 1500 uV OFFSET-MAX, 45 ns RESPONSE TIME, PDSO8
   Fast, Precision Comparator
Analog Devices, Inc.
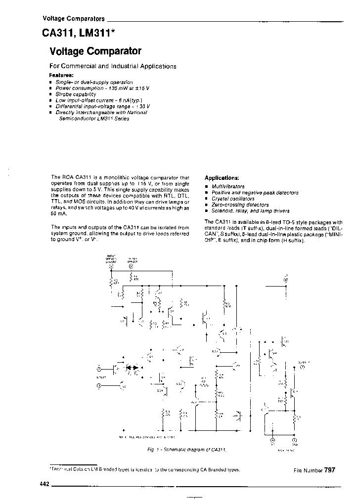
CA311 Voltage Comparator
Harris Semiconductor
AS111TO08_883C AS111TO08_XT AS111C008_883C AS111C0 Voltage Comparator
Austin Semiconductor
HCTS85MS02 HCTS85MS HCTS85DMSR HCTS85K/SAMPLE HCT SERIES, 4-BIT MAGNITUDE COMPARATOR, TRUE OUTPUT, CDFP16
HCT SERIES, 4-BIT MAGNITUDE COMPARATOR, TRUE OUTPUT, CDIP16
Radiation Hardened 4-Bit Magnitude Comparator
Comparator, Digital, Magnitude, 4-Bit, TTL Inputs, Rad-Hard, High-Speed, CMOS, Logic
Intersil Corporation
LM319H LT119A LT119AH LT119AJ LT319A LT319AH LT319    Dual Comparator
From old datasheet system
Dual Comparator DUAL COMPARATOR, 4000 uV OFFSET-MAX, 80 ns RESPONSE TIME, MBCY10
LINER[Linear Technology]
Linear Technology, Corp.
 
 Related keyword From Full Text Search System
CA311 制造商 CA311 Source CA311 semicon CA311 filetype:pdf CA311 bridge
CA311 中文简介 CA311 ac/dc eurocard CA311 Protect CA311 cost CA311 processor
 

 

Price & Availability of CA311

All Rights Reserved © IC-ON-LINE 2003 - 2022  

[Add Bookmark] [Contact Us] [Link exchange] [Privacy policy]
Mirror Sites :  [www.datasheet.hk]   [www.maxim4u.com]  [www.ic-on-line.cn] [www.ic-on-line.com] [www.ic-on-line.net] [www.alldatasheet.com.cn] [www.gdcy.com]  [www.gdcy.net]


 . . . . .
  We use cookies to deliver the best possible web experience and assist with our advertising efforts. By continuing to use this site, you consent to the use of cookies. For more information on cookies, please take a look at our Privacy Policy. X
0.47623705863953