Part Number Hot Search : 
BUX98 EURO4 LBT92501 FSF781S 100SG T1343 721C1 TLP200M
Product Description
Full Text Search

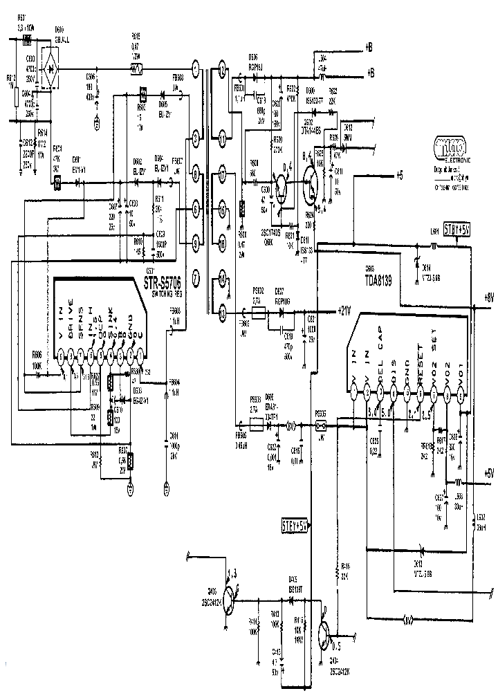
STRS5706 - STRS5706 From old datasheet system

STRS5706_221865.PDF Datasheet

 
Part No. STRS5706
Description STRS5706
From old datasheet system

File Size 92.06K  /  1 Page  

Maker


List of Unclassifed Manufacturers
ETC



JITONG TECHNOLOGY
(CHINA HK & SZ)
Datasheet.hk's Sponsor

Part: STRS5703
Maker: SK
Pack: DIP-9
Stock: 60
Unit price for :
    50: $2.66
  100: $2.53
1000: $2.39

Email: oulindz@gmail.com

Contact us

Homepage
Download [ ]
[ STRS5706 Datasheet PDF Downlaod from Datasheet.HK ]
[STRS5706 Datasheet PDF Downlaod from Maxim4U.com ] :-)


[ View it Online ]   [ Search more for STRS5706 ]

[ Price & Availability of STRS5706 by FindChips.com ]

 Full text search : STRS5706 From old datasheet system
 Product Description search : STRS5706 From old datasheet system


 Related Part Number
PART Description Maker
LM311T LM311F LM311D CA239E CA339A CA139E CA339E L Analog IC - Datasheet Reference
From old datasheet system
SINGLE/QUAD TYPES COMPARATORS
General Electric Solid State
GESS[GE Solid State]
LM8361NBSP LM8362 LM8361 Clock Circuit 
Consumer IC - Datasheet Reference
From old datasheet system
Sanyo Semiconductor Corp 
TEA1520 TEA1520P TEA1520T TEA1521 TEA1521P TEA1521 TEA152x family; STARplug(tm)
From old datasheet system
Analog IC - Datasheet Reference
Philips Semiconductors
UM91230 UM91230C UM91230CM UM91230D UM91230DM UM91 From old datasheet system
Telecommunication IC - Datasheet Reference
TONE/PULSE DIALER
UMC[UMC Corporation]
Unicorn Microelectronics Corp
STR81145A STR81145 STR80145A Hybrid Auto-Switch Module-Doubler
From old datasheet system
Analog IC - Datasheet Reference
SANKEN[Sanken electric]
Sanken Electric Co Ltd
HM9102 HM9102A HM9102C TONE/PULSE SWITCHABLE DIALER WITH REDIAL
Telecommunication IC - Datasheet Reference
From old datasheet system
HMC
List of Unclassifed Manufacturers
Hualon Microelectronics Corp
ETC[ETC]
Electronic Theatre Controls, Inc.
LA5523 LA5521M LA5524M LA5524 LA5528 LA5527 LOW-VOLTAGE DC MOTOR SPEED CONTROLLER
Industrial Control IC - Datasheet Reference
From old datasheet system
Sanyo Electric Co.,Ltd.
SANYO[Sanyo Semicon Device]
Sanyo Semiconductor Corp
X1226V8I X1226V8 X1226S8I X1226S8 Real-Time Clock - Datasheet Reference
From old datasheet system
Xicor Inc
ADUC832 ADUC832BCP ADUC832BS From old datasheet system
Microcontroller - Datasheet Reference
MicroConverter, 12-Bit ADCs and DACs with Embedded 62 kBytes Flash MCU
AD[Analog Devices]
Analog Devices Inc
CC3055 Industrial Control IC - Datasheet Reference
From old datasheet system
Airpax Corp, Frederick Division
ISD1110S ISD1110P Stereo/Audio - Datasheet Reference
From old datasheet system
Winbond Electronics Corp
 
 Related keyword From Full Text Search System
STRS5706 adc STRS5706 module STRS5706 semicon STRS5706 sanyo STRS5706 datasheet pdf
STRS5706 Precision STRS5706 coilcraft STRS5706 eeprom pdf STRS5706 Range STRS5706 synchronous
 

 

Price & Availability of STRS5706

All Rights Reserved © IC-ON-LINE 2003 - 2022  

[Add Bookmark] [Contact Us] [Link exchange] [Privacy policy]
Mirror Sites :  [www.datasheet.hk]   [www.maxim4u.com]  [www.ic-on-line.cn] [www.ic-on-line.com] [www.ic-on-line.net] [www.alldatasheet.com.cn] [www.gdcy.com]  [www.gdcy.net]


 . . . . .
  We use cookies to deliver the best possible web experience and assist with our advertising efforts. By continuing to use this site, you consent to the use of cookies. For more information on cookies, please take a look at our Privacy Policy. X
0.035277843475342