Part Number Hot Search : 
MT46V32M SLF0905T 6P29C ZL10038 AU2064 2810269 PS1051 TAA81N5
Product Description
Full Text Search

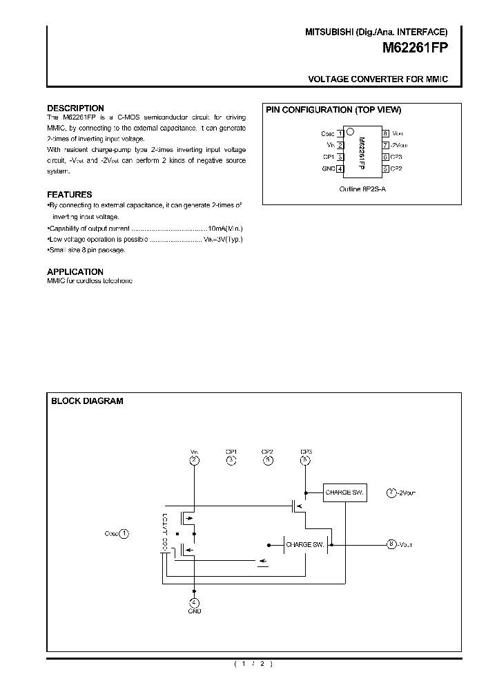
M62261FP - From old datasheet system VOLTAGE CONVERTER FOR MMIC

M62261FP_184144.PDF Datasheet

 
Part No. M62261FP M62261E
Description From old datasheet system
VOLTAGE CONVERTER FOR MMIC

File Size 16.17K  /  2 Page  

Maker


MITSUBISHI[Mitsubishi Electric Semiconductor]



JITONG TECHNOLOGY
(CHINA HK & SZ)
Datasheet.hk's Sponsor

Part: M62261FP
Maker: MITSUBIS(三菱)
Pack: SOP8
Stock: 3039
Unit price for :
    50: $1.38
  100: $1.32
1000: $1.25

Email: oulindz@gmail.com

Contact us

Homepage http://www.mitsubishichips.com/
Download [ ]
[ M62261FP M62261E Datasheet PDF Downlaod from Datasheet.HK ]
[M62261FP M62261E Datasheet PDF Downlaod from Maxim4U.com ] :-)


[ View it Online ]   [ Search more for M62261FP ]

[ Price & Availability of M62261FP by FindChips.com ]

 Full text search : From old datasheet system VOLTAGE CONVERTER FOR MMIC
 Product Description search : From old datasheet system VOLTAGE CONVERTER FOR MMIC


 Related Part Number
PART Description Maker
TDA1029N LT1050CP LM393P3 IC,SIGNAL SOURCE SWITCH,BIPOLAR,DIP,16PIN,PLASTIC
Diode - Datasheet Reference
Voltage Comparator - Datasheet Reference
From old datasheet system
Philips Semiconductors
Rochester Electronics Inc
SAM9777NBSP SAM9777 PCI Bus Single-chip Multimedia Sound System
From old datasheet system
Atmel Corp
STPCC5HEBC STPCC5HEBI STPCC4HEBI STPCCONSUMER-II S From old datasheet system
X86 Core PC Compatible Information Appliance System-on-Chip
STMICROELECTRONICS[STMicroelectronics]
TC9309F-106 E005506 From old datasheet system
SINGLE CHIP DIGITAL TUNING SYSTEM FOR CD RADIO CASSETTE
TOSHIBA[Toshiba Semiconductor]
DS1680 1680 Portable System Controller For Touch-Screen Applications
From old datasheet system
Dallas
SA605N SA605D SA605DK SA605 From old datasheet system
High performance low power mixer FM IF system
NXP Semiconductors
PHILIPS[Philips Semiconductors]
STPCI2HEYC STPC12 STPC12GDYC STPC12GDYI STPC12GEYC From old datasheet system
X86 Core PC Compatible System-on-Chip for Terminals
STMICROELECTRONICS[STMicroelectronics]
MM1106 System Reset (with watchdog timer battery back-up)
From old datasheet system
MITSUMI
MC33989NBSP XC33989 MC33989 System Basis Chip With High Speed CAN Transceiver
From old datasheet system
Motorola, Inc
SA616DK SA616 From old datasheet system
Low-voltage high performance mixer FM IF system
PHILIPS[Philips Semiconductors]
NXP Semiconductors
SA56616-XX SA56615-XX SA56615-XX_SA56616-XX_1 CMOS system reset with adjustable delay time
From old datasheet system
Philips
 
 Related keyword From Full Text Search System
M62261FP read M62261FP circuit M62261FP asynchronous M62261FP stock M62261FP 应用线路
M62261FP isa bus M62261FP filetype:pdf M62261FP interface M62261FP step-down converter M62261FP amplifier
 

 

Price & Availability of M62261FP

All Rights Reserved © IC-ON-LINE 2003 - 2022  

[Add Bookmark] [Contact Us] [Link exchange] [Privacy policy]
Mirror Sites :  [www.datasheet.hk]   [www.maxim4u.com]  [www.ic-on-line.cn] [www.ic-on-line.com] [www.ic-on-line.net] [www.alldatasheet.com.cn] [www.gdcy.com]  [www.gdcy.net]


 . . . . .
  We use cookies to deliver the best possible web experience and assist with our advertising efforts. By continuing to use this site, you consent to the use of cookies. For more information on cookies, please take a look at our Privacy Policy. X
0.24977588653564