Part Number Hot Search : 
326VQ EA09379 TW0150A BF1201 3225X 751002 SP3222 E008059
Product Description
Full Text Search

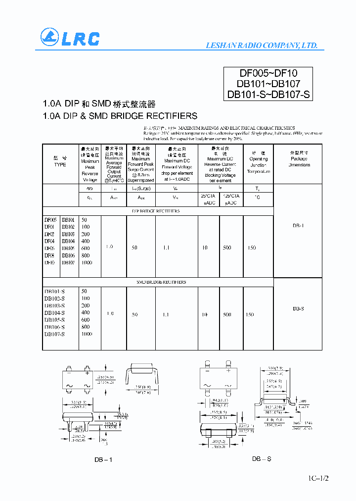
DB105-S - 1.0A DIP & SMD BRIDGE RECTIFIERS

DB105-S_154114.PDF Datasheet


 Full text search : 1.0A DIP & SMD BRIDGE RECTIFIERS
 Product Description search : 1.0A DIP & SMD BRIDGE RECTIFIERS


 Related Part Number
PART Description Maker
3PF0 (3PF0 / 3PF8) RECTIFIE
Semtech Corporation
MBRS330T3 MBRS360T3 surface Mount Schottky Power Rectifie
TY Semiconductor Co., Ltd
GB840 SCHOTTKY BARRIER DIODE VOLTAGE 40V, CURRENT 8A RECTIFIE
GTM CORPORATION
1BQ40 1BQ20    1A SINGLE PHASE D.I.L SCHOTTKY BRIDGE
40V 1A Schottky BRIDGE Diode in a D-70 (Bridge) package
20V 1A Schottky BRIDGE Diode in a D-70 (Bridge) package
1 A, 40 V, SILICON, BRIDGE RECTIFIER DIODE
DIODE 1 A, 20 V, SILICON, BRIDGE RECTIFIER DIODE, PLASTIC, DIP-4, Bridge Rectifier Diode
IRF[International Rectifier]
Vishay Semiconductors
1-1825059-3 DIP, Rotary DIP, SIP Switches and DIP Shunts - Standard; ADF04S04=DIP SWT,FLUSH,SMT-GW ( Tyco Electronics )
Tyco Electronics
AD7810 AD7810YN AD7810YR AD7810YRM    2.7 V to 5.5 V, 2 us, 10-Bit ADC in 8-Lead microSOIC/DIP
2.7 V to 5.5 V 2 us 10-Bit ADC in 8-Lead microSOIC/DIP
ECONOLINE: REC2.2-S_DR/H1 - 2.2W DIP Package- 1kVDC Isolation- Regulated Output- UL94V-0 Package Material- Continuous Short Circiut Protection- Internal SMD design- 100% Burned In- Efficiency to 75%
2.7 V to 5.5 V/ 2 us/ 10-Bit ADC in 8-Lead microSOIC/DIP
AD[Analog Devices]
Analog Devices, Inc.
1571983-1 ADF0404 1-1825002-3 ADF0204 ADF02STTR04    Switches Core Program
DIP Switches - GD Series, High Feature Line
DIP, Rotary DIP, SIP Switches and DIP Shunts - Standard; GDH02S04=DIP SWITCH ( Tyco Electronics )
Slide Switches
Pushbutton Switches
Snap Action Switches
Tyco Electronics
PS7206-1A-E3 PS7206-1A-F3 PS7206-1A-F4 PS7206-1A-E Half Bridge Driver, Soft Turn-On, Separate High and Low Side Inputs, Fixed 500ns Deadtime in a 8-pin DIP package; A IR2108 packaged in a Lead-Free 8-Lead PDIP
Half Bridge Driver, SoftTurn-On, Noninverting Inputs in a 8-pin DIP package; A IR2304 packaged in a Lead-Free 8-Lead PDIP 场效应管输出光耦合
Half Bridge Driver, SoftTurn-On, Noninverting Inputs in a 8-pin DIP package; A IR2304 packaged in a Lead-Free 8-Lead SOIC 场效应管输出光耦合
Half Bridge Driver, Soft Turn-On, Separate High and Low Side Inputs, Fixed 500ns Deadtime in a 8-pin DIP package; A IR2108 packaged in a Lead-Free 8-Lead SOIC 场效应管输出光耦合
California Eastern Laboratories, Inc.
JITO2-DP5DE132.8100MHZ JITO2-DC3BM22.2184MHZ JITO2 CRYSTAL OSCILLATOR, CLOCK, 132.81 MHz, HCMOS OUTPUT FULL SIZE, DIP-4
CRYSTAL OSCILLATOR, CLOCK, 22.2184 MHz, HCMOS OUTPUT FULL SIZE, DIP-4
CRYSTAL OSCILLATOR, CLOCK, 22.1184 MHz, HCMOS OUTPUT FULL SIZE, DIP-4
CRYSTAL OSCILLATOR, CLOCK, 37.5 MHz, HCMOS OUTPUT FULL SIZE, DIP-4
CRYSTAL OSCILLATOR, CLOCK, 3.2 MHz, HCMOS OUTPUT FULL SIZE, DIP-4
CRYSTAL OSCILLATOR, CLOCK, 65 MHz, HCMOS OUTPUT FULL SIZE, DIP-4
CRYSTAL OSCILLATOR, CLOCK, 65.536 MHz, HCMOS OUTPUT FULL SIZE, DIP-4
CRYSTAL OSCILLATOR, CLOCK, 34.368 MHz, HCMOS OUTPUT FULL SIZE, DIP-4
CRYSTAL OSCILLATOR, CLOCK, 0.34 MHz, HCMOS OUTPUT FULL SIZE, DIP-4
CRYSTAL OSCILLATOR, CLOCK, 65.1 MHz, HCMOS OUTPUT FULL SIZE, DIP-4
CRYSTAL OSCILLATOR, CLOCK, 50.688 MHz, HCMOS OUTPUT FULL SIZE, DIP-4
CRYSTAL OSCILLATOR, CLOCK, 58.9824 MHz, HCMOS OUTPUT FULL SIZE, DIP-4
CRYSTAL OSCILLATOR, CLOCK, 7.5 MHz, HCMOS OUTPUT FULL SIZE, DIP-4
CRYSTAL OSCILLATOR, CLOCK, 69.148 MHz, HCMOS OUTPUT FULL SIZE, DIP-4
CRYSTAL OSCILLATOR, CLOCK, 50.7 MHz, HCMOS OUTPUT FULL SIZE, DIP-4
CRYSTAL OSCILLATOR, CLOCK, 0.85 MHz, HCMOS OUTPUT FULL SIZE, DIP-4
CRYSTAL OSCILLATOR, CLOCK, 4.8 MHz, HCMOS OUTPUT FULL SIZE, DIP-4
CRYSTAL OSCILLATOR, CLOCK, 14.75 MHz, HCMOS OUTPUT FULL SIZE, DIP-4
CRYSTAL OSCILLATOR, CLOCK, 20.48 MHz, HCMOS OUTPUT FULL SIZE, DIP-4
CRYSTAL OSCILLATOR, CLOCK, 156.25 MHz, HCMOS OUTPUT FULL SIZE, DIP-4
CRYSTAL OSCILLATOR, CLOCK, 48.75 MHz, HCMOS OUTPUT FULL SIZE, DIP-4
CRYSTAL OSCILLATOR, CLOCK, 63.7 MHz, HCMOS OUTPUT FULL SIZE, DIP-4
CRYSTAL OSCILLATOR, CLOCK, 0.4608 MHz, HCMOS OUTPUT FULL SIZE, DIP-4
CRYSTAL OSCILLATOR, CLOCK, 74.25 MHz, HCMOS OUTPUT FULL SIZE, DIP-4
CRYSTAL OSCILLATOR, CLOCK, 53.125 MHz, HCMOS OUTPUT FULL SIZE, DIP-4
CRYSTAL OSCILLATOR, CLOCK, 73.728 MHz, HCMOS OUTPUT FULL SIZE, DIP-4
CRYSTAL OSCILLATOR, CLOCK, 0.9216 MHz, HCMOS OUTPUT FULL SIZE, DIP-4
CRYSTAL OSCILLATOR, CLOCK, 31.25 MHz, HCMOS OUTPUT FULL SIZE, DIP-4
CRYSTAL OSCILLATOR, CLOCK, 0.468 MHz, HCMOS OUTPUT FULL SIZE, DIP-4
CRYSTAL OSCILLATOR, CLOCK, 106.25 MHz, HCMOS OUTPUT FULL SIZE, DIP-4
CRYSTAL OSCILLATOR, CLOCK, 6.14 MHz, HCMOS OUTPUT FULL SIZE, DIP-4
CRYSTAL OSCILLATOR, CLOCK, 24.576 MHz, HCMOS OUTPUT FULL SIZE, DIP-4
CRYSTAL OSCILLATOR, CLOCK, 24.5454 MHz, HCMOS OUTPUT FULL SIZE, DIP-4
CRYSTAL OSCILLATOR, CLOCK, 24 MHz, HCMOS OUTPUT FULL SIZE, DIP-4
CRYSTAL OSCILLATOR, CLOCK, 6.144 MHz, HCMOS OUTPUT FULL SIZE, DIP-4
CRYSTAL OSCILLATOR, CLOCK, 12.4416 MHz, HCMOS OUTPUT FULL SIZE, DIP-4
CRYSTAL OSCILLATOR, CLOCK, 24.54 MHz, HCMOS OUTPUT FULL SIZE, DIP-4
CRYSTAL OSCILLATOR, CLOCK, 24.671 MHz, HCMOS OUTPUT FULL SIZE, DIP-4
CRYSTAL OSCILLATOR, CLOCK, 0.66 MHz, HCMOS OUTPUT FULL SIZE, DIP-4
CRYSTAL OSCILLATOR, CLOCK, 15.36 MHz, HCMOS OUTPUT FULL SIZE, DIP-4
CRYSTAL OSCILLATOR, CLOCK, 27 MHz, HCMOS OUTPUT
CRYSTAL OSCILLATOR, CLOCK, 30 MHz, HCMOS OUTPUT
CRYSTAL OSCILLATOR, CLOCK, 160 MHz, HCMOS OUTPUT
CRYSTAL OSCILLATOR, CLOCK, 16 MHz, HCMOS OUTPUT
CRYSTAL OSCILLATOR, CLOCK, 25 MHz, HCMOS OUTPUT
CRYSTAL OSCILLATOR, CLOCK, 21.25 MHz, HCMOS OUTPUT
CRYSTAL OSCILLATOR, CLOCK, 41.66 MHz, HCMOS OUTPUT
CRYSTAL OSCILLATOR, CLOCK, 40 MHz, HCMOS OUTPUT
CRYSTAL OSCILLATOR, CLOCK, 150 MHz, HCMOS OUTPUT
IRC Advanced Film
Fox Electronics
MD601 Compact 6 pin DIP/SMD package
Solid State Optronic
1KAB20E 1KAB100E 1KAB80E 1KAB-E 1KAB10E 1KAB40E 1K 200V Bridge in a D-38 package
50V Bridge in a D-38 package
1000V Bridge in a D-38 package
100V Bridge in a D-38 package
400V Bridge in a D-38 package
600V Bridge in a D-38 package
800V Bridge in a D-38 package
   1.2 amp rectifier bridge
http://
IRF[International Rectifier]
 
 Related keyword From Full Text Search System
DB105-S download DB105-S programmable DB105-S mount DB105-S international DB105-S reference
DB105-S converter DB105-S Electronics DB105-S Drain DB105-S mos DB105-S filetype:pdf
 

 

Price & Availability of DB105-S

All Rights Reserved © IC-ON-LINE 2003 - 2022  

[Add Bookmark] [Contact Us] [Link exchange] [Privacy policy]
Mirror Sites :  [www.datasheet.hk]   [www.maxim4u.com]  [www.ic-on-line.cn] [www.ic-on-line.com] [www.ic-on-line.net] [www.alldatasheet.com.cn] [www.gdcy.com]  [www.gdcy.net]


 . . . . .
  We use cookies to deliver the best possible web experience and assist with our advertising efforts. By continuing to use this site, you consent to the use of cookies. For more information on cookies, please take a look at our Privacy Policy. X
0.11371803283691