Part Number Hot Search : 
MAX5904 C1145 PL34020 DTS2000 2230006 MX480 KM416 BU4917
Product Description
Full Text Search

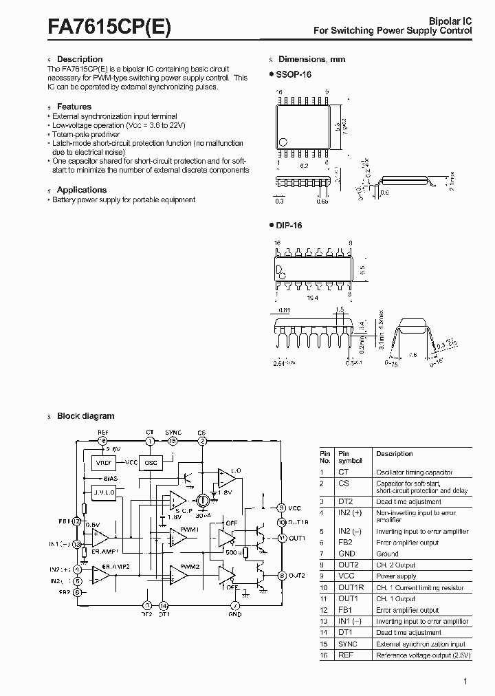
FA7615CP - FA7615CPE Bipolar IC For Switching Power Supply Control

FA7615CP_144878.PDF Datasheet


 Full text search : FA7615CPE Bipolar IC For Switching Power Supply Control
 Product Description search : FA7615CPE Bipolar IC For Switching Power Supply Control


 Related Part Number
PART Description Maker
FA7615CP FA7615CPE FA7615CPE Bipolar IC For Switching Power Supply Control
FUJI[Fuji Electric]
A120212 The Allegro A1202 and A1203 Hall-effect bipolar switches are next-generation replacements and extension of the popular Allegro A3133 and A3132 bipolar switch product line.
Allegro MicroSystems
UPC2766GR UPC2766GR-E1 UPC2766GS UPC2766GS-E1 PC27 Bipolar Analog Integrate Circuit(双极模拟集成电路)
WIDE BAND IQ DEMODULATOR FOR DIGITAL VIDEO/DATA RECEIVER
QUADRATURE DEMODULATOR,BIPOLAR,SOP,8PIN,PLASTIC
From old datasheet system
NEC Corp.
NEC Electron Devices
NEC[NEC]
BFS17W BFS17W. RF-Bipolar - For broadband amplifiers up to 1 GHz at collector currents from 1 mA to 20 mA
RF-Bipolar NPN Type Transistors with transition frequency from 1 to 6 GHz
NPN Silicon RF Transistor
INFINEON[Infineon Technologies AG]
BUX13 5V, 500mA low drop voltage regulator
Bipolar NPN Device in a Bipolar NPN Device in a Metal Package
Seme LAB
2015M 2015M-2 15 W, 28 V, 2000 MHz, microwave CW bipolar
MICROWAVE BIPOLAR
MICROWAVEBIPOLAR
Acrian
ETC[ETC]
Electronic Theatre Controls, Inc.
TC2015 TC2014 The TC2014, TC2015, and TC2185 are high accuracy (typically ±0.4%) CMOS upgrades for older (bipolar) low dropout regulators such as the LP2980. Total supply current is typically 55A (20 to 60 times lower than in bipolar regulators!).
Microchip
CT90AM-18 Integrated Gate Bipolar Transistor (IGBT) Modules: 250V
INSULATED GATE BIPOLAR TRANSISTOR
Mitsubishi Electric Corporation
MITSUBISHI[Mitsubishi Electric Semiconductor]
LM7809 LM7812NBSP LM7824 LM7805 LM7815 LM7812 LM78 VOLT REGULATOR,FIXED, 9V,BIPOLAR,SIP,3PIN,PLASTIC
Positive Fixed Voltage Regulator
IC,VOLT REGULATOR,FIXED, 24V,BIPOLAR,SIP,3PIN,PLASTIC
VOLT REGULATOR,FIXED, 5V,BIPOLAR,SIP,3PIN,PLASTIC
IC,VOLT REGULATOR,FIXED, 15V,BIPOLAR,SIP,3PIN,PLASTIC
From old datasheet system
LM7800 Series 3-Terminal fixed Voltage Regulators
First Components Intern...
FCI[First Components International]
MMJT9435T1 MMJT9435T1G MMJT9435T3 MMJT9435T3G MMJT PNP Bipolar Power Transistor
Bipolar Power Transistors PNP Silicon
ONSEMI[ON Semiconductor]
2SC4800 2SC4801 2SC4802 2SC4803 2SC2820 2SD476 2SD Power Bipolar Transistors 功率双极晶体
(2SC4800 - 2SC4803) Power Bipolar Transistors
List of Unclassifed Manufac...
http://
Electronic Theatre Controls, Inc.
List of Unclassifed Manufacturers
N.A.
Toshiba Semiconductor
ETC[ETC]
List of Unclassifed Man...
 
 Related keyword From Full Text Search System
FA7615CP Product FA7615CP found FA7615CP download FA7615CP State FA7615CP Signal
FA7615CP terminal FA7615CP synthesizer rom FA7615CP battery charger circuit FA7615CP chip FA7615CP Planar
 

 

Price & Availability of FA7615CP

All Rights Reserved © IC-ON-LINE 2003 - 2022  

[Add Bookmark] [Contact Us] [Link exchange] [Privacy policy]
Mirror Sites :  [www.datasheet.hk]   [www.maxim4u.com]  [www.ic-on-line.cn] [www.ic-on-line.com] [www.ic-on-line.net] [www.alldatasheet.com.cn] [www.gdcy.com]  [www.gdcy.net]


 . . . . .
  We use cookies to deliver the best possible web experience and assist with our advertising efforts. By continuing to use this site, you consent to the use of cookies. For more information on cookies, please take a look at our Privacy Policy. X
0.30302691459656