Part Number Hot Search : 
SD5402CY S5817 CXA1665M LMR11WD TS2937CP UFP30C20 CL5M5 BADYAG
Product Description
Full Text Search

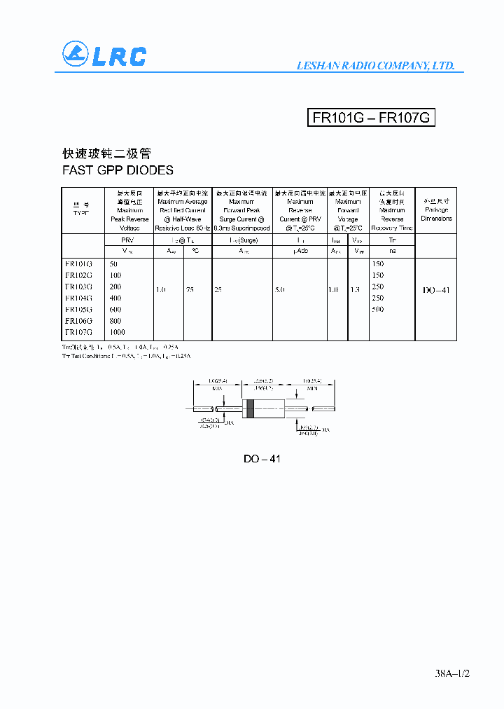
FR104G -    FAST GPP DIODES

FR104G_78263.PDF Datasheet

 
Part No. FR104G FR107G FR103G FR102G FR105G FR101G FR106G
Description    FAST GPP DIODES

File Size 49.30K  /  2 Page  

Maker


LRC[Leshan Radio Company]



JITONG TECHNOLOGY
(CHINA HK & SZ)
Datasheet.hk's Sponsor

Part: FR104
Maker: MIC
Pack: DO-41
Stock: Reserved
Unit price for :
    50: $0.02
  100: $0.02
1000: $0.02

Email: oulindz@gmail.com

Contact us

Homepage http://www.lrc-china.com/
Download [ ]
[ FR104G FR107G FR103G FR102G FR105G FR101G FR106G Datasheet PDF Downlaod from Datasheet.HK ]
[FR104G FR107G FR103G FR102G FR105G FR101G FR106G Datasheet PDF Downlaod from Maxim4U.com ] :-)


[ View it Online ]   [ Search more for FR104G ]

[ Price & Availability of FR104G by FindChips.com ]

 Full text search :    FAST GPP DIODES
 Product Description search :    FAST GPP DIODES


 Related Part Number
PART Description Maker
2954798 EMG 45-DIO 8E/LP
PHOENIX CONTACT
LPCIE-7230 32-CH Isolated DIO Cards
List of Unclassifed Manufacturers
AEC-6913-A1M-1010 AEC-6913-A2M-1010 Design for Industrial Automation, Reliable Design: RS-422/485 10x. DIO
AAEON Technology
UESA06J GPP-TO Pack: TO-220AC
GULF SEMI
P6KE P6KE-10 P6KE-100 P6KE-100A P6KE-10A P6KE-200 6.8V to 200V GPP TRANSIENT VOLTAGE SUPPRESSORS
First Components International
RC30S10G RC30S01G RC30S02G RC30S04G RC30S06G RC30S CANCA06COME32A10S
SILICON GPP CELL RECTIFIER
Shanghai Sunrise Electronics Co., LTD.
SSE[Shanghai Sunrise Electronics]
1N5406G 1B5400G 1N5400G 1N5401G 1N5402G 1N5403G 1N 3A GENERAL PURPOSE GPP DIODES 3A条一般用途的玻璃钝化二极
LRC[Leshan Radio Company]
Leshan Radio Company, Ltd.
1N5394G 1N5398G 1N5399G 1N5391G 1N5392G 1N5393G 1N 1.5A GENERAL PURPOSE GPP DIODES 1.5A的一般用途玻璃钝化二极管
Leshan Radio Company, Ltd.
乐山无线电股份有限公
LRC[Leshan Radio Company]
T4ARBU405M T4ARBU406M T4ARBU407M TRANSIENT VOLTAGE SUPPRESSORS GPP BRIDGE RECTIFIER
Rectron Semiconductor
ACL-6128A ACL-8213L    ISA DAQ/DIO Cards
List of Unclassifed Man...
FGF2001 FGF2006 FGF2005 FGF2002 FGF2003 20 AMP ISOLATED POWER PACK GPP STANDARD RECTIFIERS
First Components Intern...
F10P20F Latest GPP technology with super fast recovery time
Thinki Semiconductor Co...
 
 Related keyword From Full Text Search System
FR104G microsemi FR104G Converter FR104G Product FR104G usb circuit diagram FR104G maxim
FR104G integrated FR104G Flash FR104G ac/dc eurocard FR104G description FR104G Control
 

 

Price & Availability of FR104G

All Rights Reserved © IC-ON-LINE 2003 - 2022  

[Add Bookmark] [Contact Us] [Link exchange] [Privacy policy]
Mirror Sites :  [www.datasheet.hk]   [www.maxim4u.com]  [www.ic-on-line.cn] [www.ic-on-line.com] [www.ic-on-line.net] [www.alldatasheet.com.cn] [www.gdcy.com]  [www.gdcy.net]


 . . . . .
  We use cookies to deliver the best possible web experience and assist with our advertising efforts. By continuing to use this site, you consent to the use of cookies. For more information on cookies, please take a look at our Privacy Policy. X
0.045610904693604