Part Number Hot Search : 
MAX16836 106MMR2 AO4240 TSUS520 40P03GH LTM450AW SD103C P6KE1
Product Description
Full Text Search

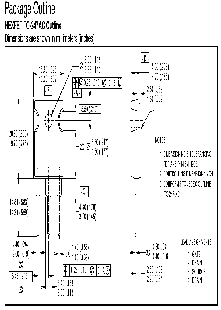
TO247 - HEXFET TO-247AC Outline Dimensions are shown in millimeters (inches)

TO247_65934.PDF Datasheet


 Full text search : HEXFET TO-247AC Outline Dimensions are shown in millimeters (inches)
 Product Description search : HEXFET TO-247AC Outline Dimensions are shown in millimeters (inches)


 Related Part Number
PART Description Maker
IRFP340 IRFP340PBF 400V Single N-Channel HEXFET Power MOSFET in a TO-247AC package
HEXFET? Power MOSFET
Power MOSFET(Vdss=400V, Rds(on)=0.55ohm, Id=11A) 功率MOSFET(减振钢板基本\u003d00V,的Rdson)\u003d 0.55ohm,身份证\u003d 11A条)
11 A, 400 V, 0.55 ohm, N-CHANNEL, Si, POWER, MOSFET, TO-247AC
IRF[International Rectifier]
International Rectifier, Corp.
IRFP150VPBF 100V Single N-Channel HEXFET Power MOSFET in a TO-247AC package
International Rectifier
IRFP26N60L IRFP26N60LPBF 600V Single N-Channel HEXFET Power MOSFET in a TO-247AC package
International Rectifier
IRFP90N20DPBF 200V Single N-Channel HEXFET Power MOSFET in a TO-247AC package
International Rectifier
IRFP048R 60V Single N-Channel HEXFET Power MOSFET in a TO-247AC package
International Rectifier
IRFP15N60L 600V Single N-Channel HEXFET Power MOSFET in a TO-247AC package
International Rectifier
IRFP3710PBF 100V Single N-Channel HEXFET Power MOSFET in a TO-247AC package
International Rectifier
AM29LV017B-80FC AM29LV017B-70RFC AM29LV017B-80EE x8 Flash EEPROM
200V Single N-Channel HEXFET Power MOSFET in a TO-247AC package x8闪存EEPROM
Advanced Micro Devices, Inc.
IRFP4110PBF High Efficiency Synchronous Rectification in SMPS
HEXFET Power MOSFET
180 A, 100 V, 0.0045 ohm, N-CHANNEL, Si, POWER, MOSFET, TO-247AC
International Rectifier
AM29F200BT-120DPC1 AM29F200BT-75DPC1 AM29F200BT-90 150V Single N-Channel HEXFET Power MOSFET in a TO-220AB package; A IRF3315 with Standard Packaging
30V Single N-Channel HEXFET Power MOSFET in a TO-220AB package; A IRL8113 with Standard Packaging
40V Single N-Channel HEXFET Power MOSFET in a I-Pak package; Similar to IRFU3504 with Lead Free Packaging
200V Single N-Channel HEXFET Power MOSFET in a TO-262 package; A IRFSL42N20D with Standard Packaging
75V Single N-Channel HEXFET Power MOSFET in a TO-220AB package; A IRF2907Z with Standard Packaging
55V Single N-Channel HEXFET Power MOSFET in a TO-220 FullPak (Iso) package; A IRLIZ34N with Standard Packaging
200V Single N-Channel HEXFET Power MOSFET in a TO-220AB package; Similar to IRFB38N20D with Lead Free Packaging
200V Single N-Channel HEXFET Power MOSFET in a D-Pak package; A IRFR9N20D with Standard Packaging
60V Single N-Channel HEXFET Power MOSFET in a TO-262 package; A IRF1010EZL with Standard Packaging
20V Single N-Channel HEXFET Power MOSFET in a SO-8 package; A IRF7459 with Standard Packaging
20V Single N-Channel HEXFET Power MOSFET in a D2-Pak package; A IRF3711ZCS with Standard Packaging
60V Single N-Channel HEXFET Power MOSFET in a TO-262 package; A IRFZ44EL with Standard Packaging
30V Single N-Channel HEXFET Power MOSFET in a SO-8 package; Similar to IRF7455 with Lead Free Packaging
55V Single N-Channel HEXFET Power MOSFET in a I-Pak package; A IRLU3105 with Standard Packaging
150V Single N-Channel HEXFET Power MOSFET in a D2-Pak package; A IRFS23N15D with Standard Packaging
75V Single N-Channel HEXFET Power MOSFET in a TO-262 package; A IRF2907ZL with Standard Packaging
200V Single N-Channel HEXFET Power MOSFET in a D2-Pak package; A IRF640NS with Standard Packaging
75V Single N-Channel HEXFET Power MOSFET in a TO-220AB package; A IRFB3207ZPBF with Standard Packaging
20V Single N-Channel HEXFET Power MOSFET in a I-Pak package; A IRLU3715Z with Standard Packaging
100V Single N-Channel HEXFET Power MOSFET in a I-Pak package; Similar to IRLU3410 with Lead Free Packaging
200V Single N-Channel HEXFET Power MOSFET in a TO-262 package; A IRFSL31N20D with Standard Packaging
100V Single N-Channel HEXFET Power MOSFET in a TO-220 FullPak (Iso) package; A IRFI540N with Standard Packaging
20V Single N-Channel HEXFET Power MOSFET in a Micro 8 package; A IRF7607 with Standard Packaging
20V Single N-Channel HEXFET Power MOSFET in a D-Pak package; A IRLR3715ZCPBF with Standard Packaging
40V Single N-Channel HEXFET Power MOSFET in a TO-262 package; A IRF1404ZL with Standard Packaging
150V Single N-Channel HEXFET Power MOSFET in a TO-220 FullPak (Iso) package; A IRLI3615 with Standard Packaging
30V Single N-Channel HEXFET Power MOSFET in a SO-8 package; A IRF7821 with Standard Packaging
150V Single N-Channel HEXFET Power MOSFET in a D-Pak package; A IRFR24N15D with Standard Packaging
150V Single N-Channel HEXFET Power MOSFET in a Super 247 (TO-274AA) package; A IRFPS3815 with Standard Packaging
100V Single N-Channel HEXFET Power MOSFET in a TO-262 package; A IRFSL4410ZPBF with Standard Packaging
200V Single N-Channel HEXFET Power MOSFET in a TO-220AB package; A IRFB42N20D with Standard Packaging
75V Single N-Channel HEXFET Power MOSFET in a D2-Pak package; A IRFS3207ZPBF with Standard Packaging
20V Single N-Channel HEXFET Power MOSFET in a I-Pak package; Similar to IRFU3711Z with Lead Free Packaging
100V Single N-Channel HEXFET Power MOSFET in a TO-220AB package; Similar to IRFB4310 with Lead Free Packaging
30V Single N-Channel HEXFET Power MOSFET in a TO-262 package; A IRF3709ZL with Standard Packaging
60V Single N-Channel HEXFET Power MOSFET in a TO-247AC package; Similar to IRFP054V with Lead Free Packaging
55V Single N-Channel HEXFET Power MOSFET in a TO-220AB Package; A IRF3205Z with Standard Packaging
55V Single N-Channel HEXFET Power MOSFET in a D-Pak package; A IRFR1205 with Standard Packaging
100V Single N-Channel HEXFET Power MOSFET in a TO-220AB package; A IRF3710 with Standard Packaging
EEPROM EEPROM
EEPROM
Elpida Memory, Inc.
IRFP064V 60V Single N-Channel HEXFET Power MOSFET in a TO-247AC package
Power MOSFET(Vdss=60V, Rds(on)=5.5mohm, Id=130A?
Power MOSFET
International Rectifier
IRFP044 60V Single N-Channel HEXFET Power MOSFET in a TO-247AC package
Power MOSFET(Vdss=60V, Rds(on)=0.028ohm, Id=57A)
International Rectifier
Power MOSFET
 
 Related keyword From Full Text Search System
TO247 protection ic TO247 reserved TO247 register TO247 lead TO247 corporation
TO247 Data TO247 Fixed TO247 ac/dc eurocard TO247 mhz TO247 step
 

 

Price & Availability of TO247

All Rights Reserved © IC-ON-LINE 2003 - 2022  

[Add Bookmark] [Contact Us] [Link exchange] [Privacy policy]
Mirror Sites :  [www.datasheet.hk]   [www.maxim4u.com]  [www.ic-on-line.cn] [www.ic-on-line.com] [www.ic-on-line.net] [www.alldatasheet.com.cn] [www.gdcy.com]  [www.gdcy.net]


 . . . . .
  We use cookies to deliver the best possible web experience and assist with our advertising efforts. By continuing to use this site, you consent to the use of cookies. For more information on cookies, please take a look at our Privacy Policy. X
0.2003378868103