Part Number Hot Search : 
C908J P6KE82 CP3010 SI7880DP 1SMB90A 30J04 T3801N RED50
Product Description
Full Text Search

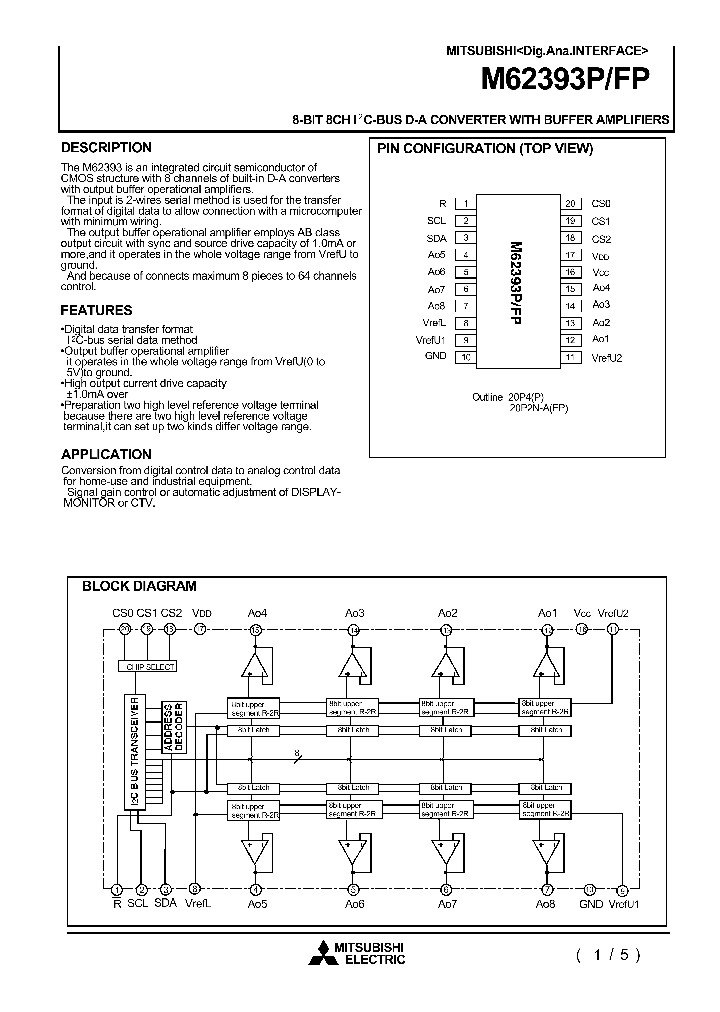
M62393FP - 8-BIT 8CH I C-BUS D-A CONVERTER WITH BUFFER AMPLIFIERS 2 8-BIT 8CH I2C-BUS D-A CONVERTER WITH BUFFER AMPLIFIERS

M62393FP_8955.PDF Datasheet

 
Part No. M62393FP M62393P
Description 8-BIT 8CH I C-BUS D-A CONVERTER WITH BUFFER AMPLIFIERS 2
8-BIT 8CH I2C-BUS D-A CONVERTER WITH BUFFER AMPLIFIERS

File Size 83.92K  /  5 Page  

Maker


Mitsubishi Electric Semiconductor
Mitsubishi Electric Corporation



JITONG TECHNOLOGY
(CHINA HK & SZ)
Datasheet.hk's Sponsor

Part: M62393FP
Maker: MITSUBIS
Pack: SOP20
Stock: 1090
Unit price for :
    50: $1.36
  100: $1.29
1000: $1.23

Email: oulindz@gmail.com

Contact us

Homepage http://www.mitsubishichips.com/
Download [ ]
[ M62393FP M62393P Datasheet PDF Downlaod from Datasheet.HK ]
[M62393FP M62393P Datasheet PDF Downlaod from Maxim4U.com ] :-)


[ View it Online ]   [ Search more for M62393FP ]

[ Price & Availability of M62393FP by FindChips.com ]

 Full text search : 8-BIT 8CH I C-BUS D-A CONVERTER WITH BUFFER AMPLIFIERS 2 8-BIT 8CH I2C-BUS D-A CONVERTER WITH BUFFER AMPLIFIERS
 Product Description search : 8-BIT 8CH I C-BUS D-A CONVERTER WITH BUFFER AMPLIFIERS 2 8-BIT 8CH I2C-BUS D-A CONVERTER WITH BUFFER AMPLIFIERS


 Related Part Number
PART Description Maker
M62356P 8-BIT 8CH D-A CONVERTER
Renesas Electronics Corporation
TB62004FW B62006F TB62003FW TB62008F TB62008FW TB6 8CH DMOS TRANSISTOR ARRAY WITH GATE THROUGH & DMOS DRIVER
Bi-CMOS INTEGRATED CIRCUIT SILICON MONOLITHIC 8CH DMOS TRANSISTOR ARRAY WITH GATE
8CH DMOS TRANSISTOR ARRAY WITH GATE INVERTER & DMOS DRIVER
8CH DMOS TRANSISTOR ARRAY WITH GATE NOR & DMOS DRIVER
8CH DMOS TRANSISTOR ARRAY WITH GATE NAND & DMOS DRIVER
TOSHIBA
AK4128AEQ 8ch 216kHz / 24-Bit Asynchronous SRC
Asahi Kasei Microsystems
M62363FP M62363E From old datasheet system
8-BIT 8CH D-A CONVERTER
MITSUBISHI[Mitsubishi Electric Semiconductor]
AK4359AEF AK4359AVF 106dB 192kHz 24-Bit 8ch DAC
Asahi Kasei Microsystems
Asahi Kasei Microsystem...
R2A20168SA 8-bit 8ch D/A Converter with Buffer Amplifiers
Renesas Electronics Corporation
M62381FP 8-BIT 8CH MULTIPLYING D-A CONVERTER WITH BUFFER AMPLIFIERS
MITSUBISHI[Mitsubishi Electric Semiconductor]
AK435806 192kHz 24-Bit 8ch DAC with DSD Input
Asahi Kasei Microsystems
IDT74LVCH32245A 74LVCH32245A_DS_31737 IDT74LVCH322 Adjustable Precision Shunt Regulator 6-SC70 -40 to 85
3.3V CMOS 32-BIT BUS TRANSCEIVER WITH 3-STATE OUTPUTS, 5 VOLT TOLERANT I/O, BUS-HOLD
From old datasheet system
3.3V CMOS 32-BIT BUS TRANSCEIVER WITH 3-STATE OUTPUTS, 5V TOLERANT I/O, AND BUS-HOLD
3.3V CMOS 32-Bit Bus Transceiver with 3-State Outputs, 5.0V Tolerant I/O, and Bus-Hold
Integrated Device Technology, Inc.
IDT[Integrated Device Technology]
QS74FCT2543T QS74FCT2544DTSO QS74FCT2544CTSO QS74F Single 8-Bit Inverting Bus Transceiver 位反向总线收发
High Speed CMOS 8 Bit Bus Interface Latch Transceivers
Rohm Co., Ltd.
Integrated Device Technology, Inc.
Quality Semiconductor
FSTU32160 FSTU32160MTDX 16-Bit to 32-Bit Multiplexer/Demultiplexer Bus Switch with -2V Undershoot Protection
From old datasheet system
Bus Exchanger
Fairchild Semiconductor
IDT74ALVCHR162269APA8 IDT74ALVCHR162269APV IDT74AL 3.3V CMOS 12-Bit to 24-Bit Registered Bus Exchanger with 3-State Outputs and Bus-Hold
IDT
 
 Related keyword From Full Text Search System
M62393FP 替换 M62393FP Technolog M62393FP quad M62393FP 中文网站 M62393FP pci endian mode
M62393FP Bipolar M62393FP level converter M62393FP pitch M62393FP phase M62393FP specification
 

 

Price & Availability of M62393FP

All Rights Reserved © IC-ON-LINE 2003 - 2022  

[Add Bookmark] [Contact Us] [Link exchange] [Privacy policy]
Mirror Sites :  [www.datasheet.hk]   [www.maxim4u.com]  [www.ic-on-line.cn] [www.ic-on-line.com] [www.ic-on-line.net] [www.alldatasheet.com.cn] [www.gdcy.com]  [www.gdcy.net]


 . . . . .
  We use cookies to deliver the best possible web experience and assist with our advertising efforts. By continuing to use this site, you consent to the use of cookies. For more information on cookies, please take a look at our Privacy Policy. X
0.052793025970459